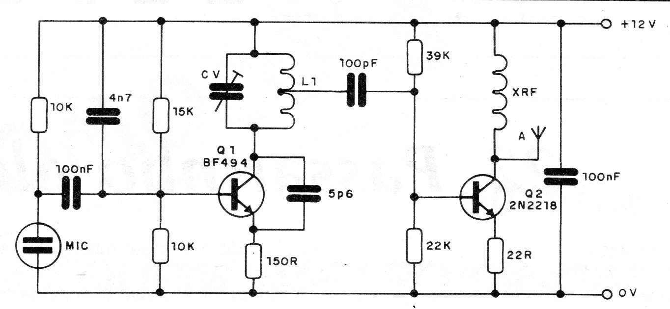
Este pequeño transmisor de 2 transistores puede alcanzar varios cientos de metros usando una antena de 30 a 70 cm. La alimentación debe de batería o fuente y el micrófono es de electreto de dos terminales. L1 consiste en 2 + 2 espiras de hilo 22 a 26 en forma de 1 cm sin núcleo con toma central. XRF tiene 40 espiras de hilo 32 en un tubo de 0,5 de diámetro.




