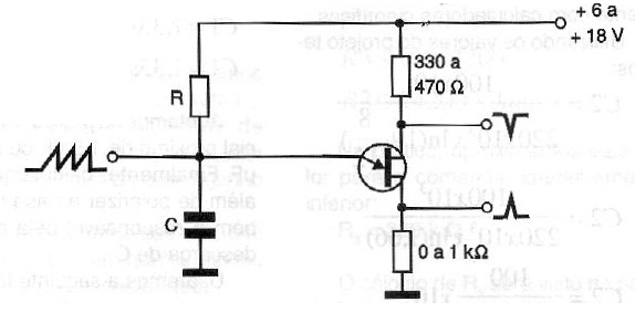
Este circuito puede generar señales de audio en frecuencias que van de 0,01 Hz a aproximadamente 20 kHz. La frecuencia depende de R y de C. R puede tener valores entre 1k y 10 M mientras que C puede tener valores entre 1nF y 2 200 uF típicamente. El transistor unijuntura puede ser el 2N2646 que es el más común y que todavía se puede encontrar a la venta.




