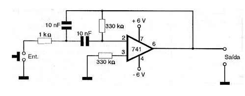
Una banda de frecuencias determinada por la red de resistores y capacitores de retroalimentación negativa y entrada pasa por este circuito prácticamente sin atenuación. Sin embargo, las señales de frecuencias fuera de esta banda están fuertemente atenuadas. Los valores de los componentes usados se pueden cambiar según el rango de frecuencias que se desea sintonizar. Observamos que la selectividad del circuito no es elevada lo que debe tenerse en cuenta en determinadas aplicaciones. El circuito completo de este filtro se muestra en la figura y hace uso de una fuente de alimentación simétrica.




