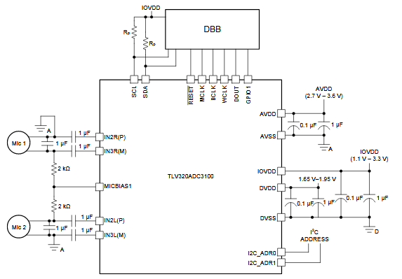
En la figura tenemos un circuito de aplicación para el convertidor de sonido analógico estéreo a digital utilizando el TLV320ADC3100 de Texas Instruments. El circuito se obtuvo del propio datasheet del componente. La alimentación se realiza por dos tensiones que se indican en el diagrama y el consumo es muy bajo.




