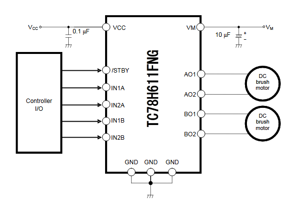
El circuito integrado TCH8H611FNG de Toshiba posibilita el control de motores de paso de hasta 0,8 A con tensión de entrada de 5,5 V (shield). Para el motor la tensión máxima es de 18 V. Los dos puentes H del circuito integrado pueden ser usados para controlar dos motores.




