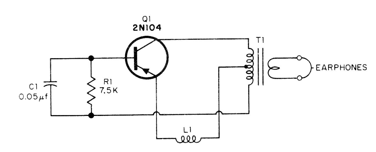
Este es un circuito usado por radioaficionados para monitorear las transmisiones en telegrafía. Colocado junto al transmisor, acoplado a la bobina de salida, produce sonidos al manipular una señal. El circuito no necesita alimentación, ya que viene de la señal monitoreada.




