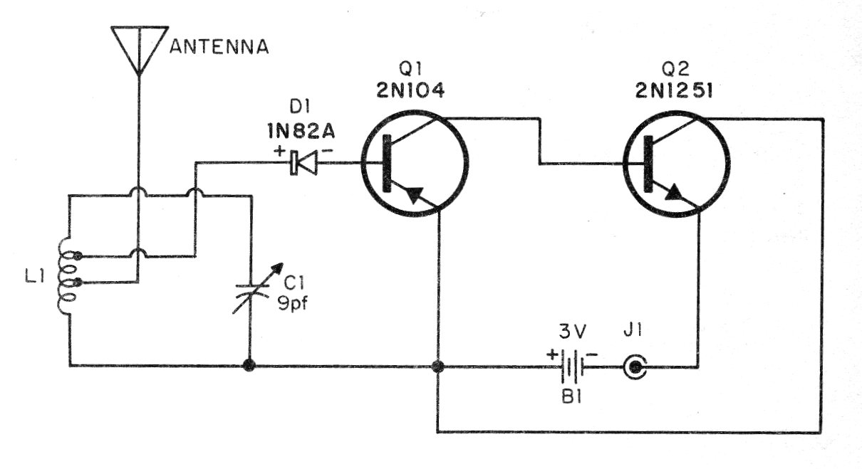
Este simple receptor de detección directa utiliza dos transistores proporcionando su señal a un auricular de alta impedancia. La bobina está formada por 4 espiras de hilo16 o 20 en forma de 1 cm sin núcleo con tomas en la segunda y tercera espira. La antena es telescópica y el diodo puede ser el 1N34.




