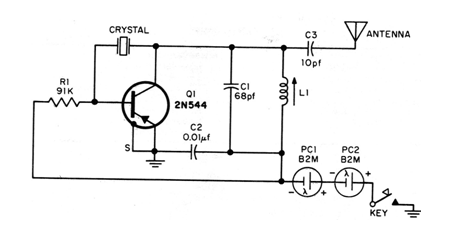
Este pequeño transmisor envía las señales a la banda de los 7 MHz, pero puede ser modificado para operar en otras frecuencias. La bobina L1 está formada por 25 vueltas de hilo 28 en un bastón de ferrita y el transistor puede ser el BC558. El circuito es de una documentación de 1964.




