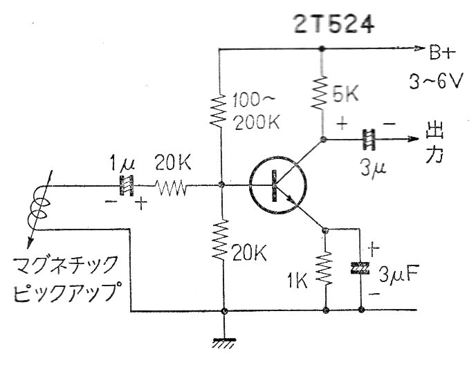
Este circuito es de una revista japonesa de 1967 siendo indicado para tocadiscos con fonocaptores magnéticos. El transistor es de germanio de la época, admitiendo equivalentes.
Este probador de continuidad artesanal tiene una finalidad didáctica, pudiendo ser utilizado como tema...
Este tipo de oscilador utiliza una configuración fuera de lo común y puede ser utilizado como base...
Este circuito produce el ruido del goteo de un grifo o una gotera cuando la luz deja de incidir en el...