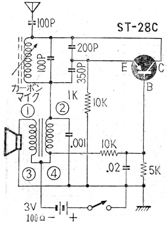
Este circuito es de una publicación japonesa antigua. Los transistores son de germanio y la bobina consiste en 80 a 100 espiras de hilo 28 o cerca de un bastón de ferrita. La antena puede tener de 40 cm a 1 metro y el alcance es de sólo unos metros.

Este circuito es de una publicación japonesa antigua. Los transistores son de germanio y la bobina consiste en 80 a 100 espiras de hilo 28 o cerca de un bastón de ferrita. La antena puede tener de 40 cm a 1 metro y el alcance es de sólo unos metros.
