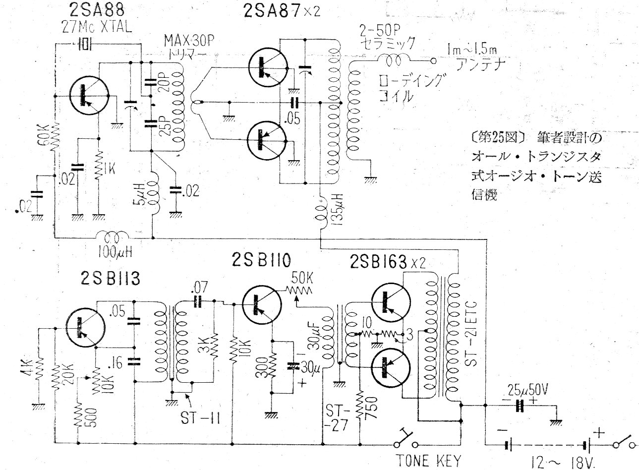
Este potente transmisor de control remoto para el rango de 27 MHz fue obtenido en una documentación japonesa de 1962. El circuito utiliza transistores de la época, difíciles de encontrar actualmente, pero pueden ser probados equivalentes. Observe las tensiones de alimentación elevadas para garantizar una alta potencia




