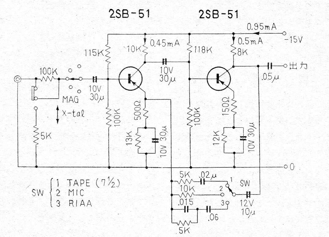
Este preamplificador para tocadiscos, tocadiscos y micrófono es de los años 60 habiendo sido encontrado en una documentación japonesa. Los transistores son de germanio de la época, hoy difíciles de obtener.
Este probador de continuidad artesanal tiene una finalidad didáctica, pudiendo ser utilizado como tema...
Este tipo de oscilador utiliza una configuración fuera de lo común y puede ser utilizado como base...
Este circuito produce el ruido del goteo de un grifo o una gotera cuando la luz deja de incidir en el...