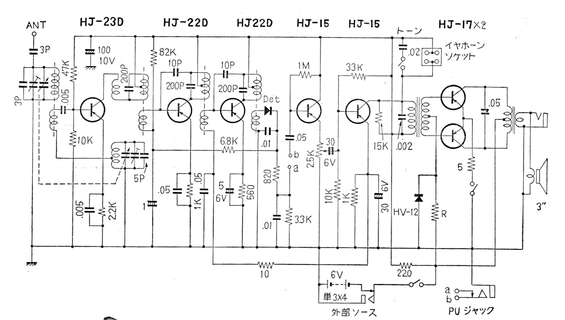
Este sensible receptor de 7 transistores de germanio fue fabricado en los años 60 en Japón. El circuito para la banda de ondas medias es del tipo super-heterodino y alimentado por una batería de 6 V (4 pilas). Encontramos este circuito en una documentación japonesa de la época.




