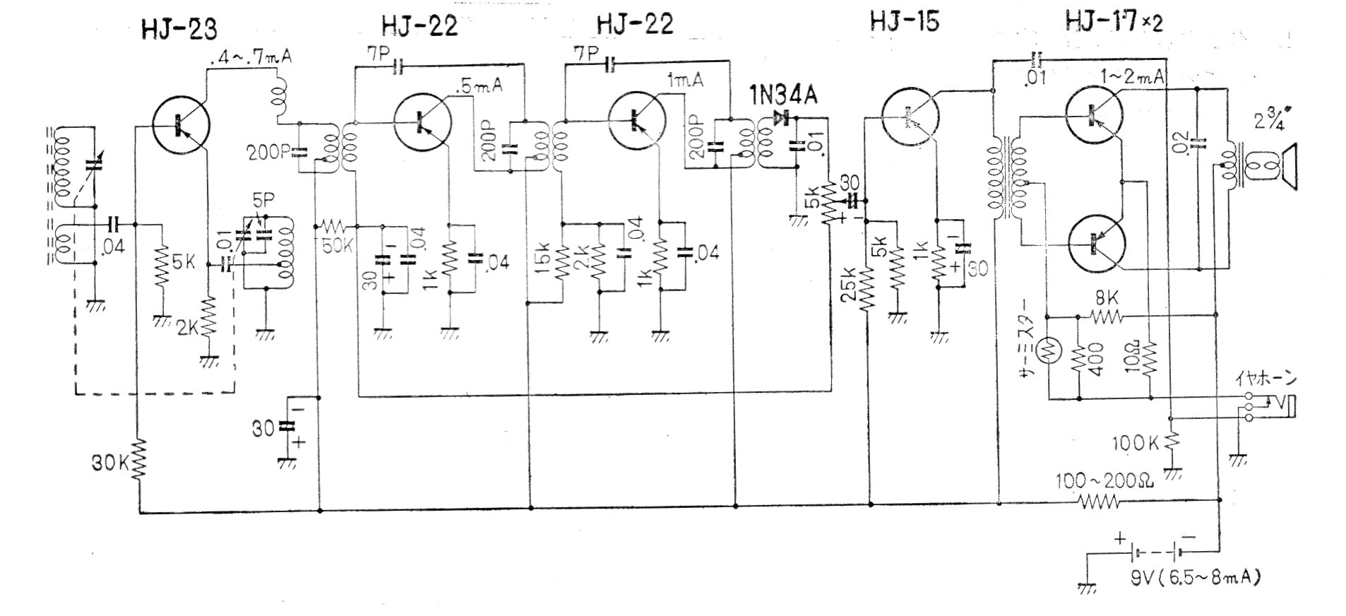
Esta radio comercial japonesa de los años 6 usaba 6 transistores en una configuración super-heterodina para ondas medias. El circuito era alimentado por 4 pilas y tenía una potencia de audio de 120 mW. Encontramos el circuito en una publicación de la época.




