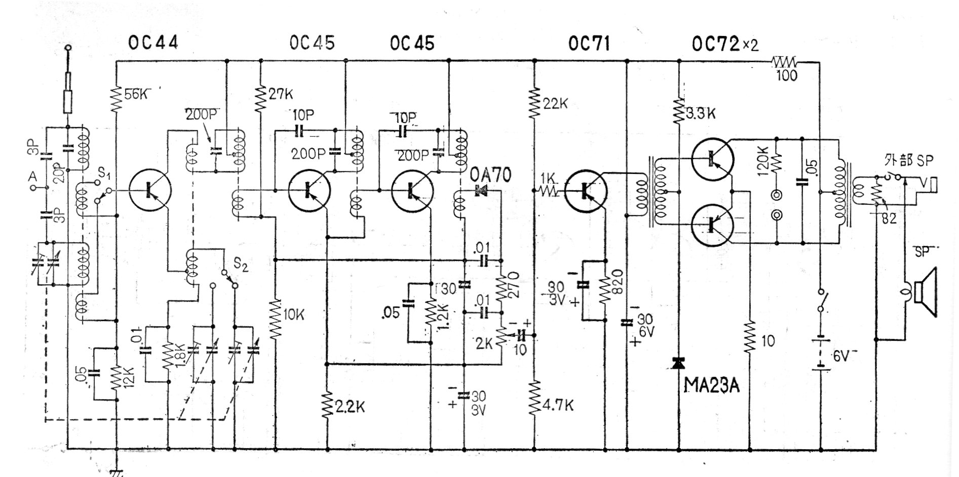
Este receptor de 6 transistores fue fabricado en Japón en la década de 60. El circuito es super-heterodino y tiene alimentación de 6 V. El receptor recibe las bandas de ondas medias y cortas de 3,925 a 9 MHz.
En el circuito de la figura utilizamos dos de las puertas del 4093 como un biestable y las otras...
Este circuito simple se puede utilizar para reforzar la señal de fuentes que no son capaces de...
El circuito presentado fue encontrado en un Linear Applications Handbook de National Semiconductor de 1994....