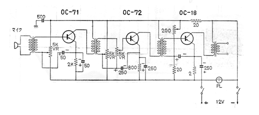
Este es un circuito comercial japonés de los años 60. El circuito es alimentado por una fuente simple de 12 V y los componentes críticos son los transformadores, además de los transistores. El circuito se destina al uso portátil con micrófonos de baja impedancia.




