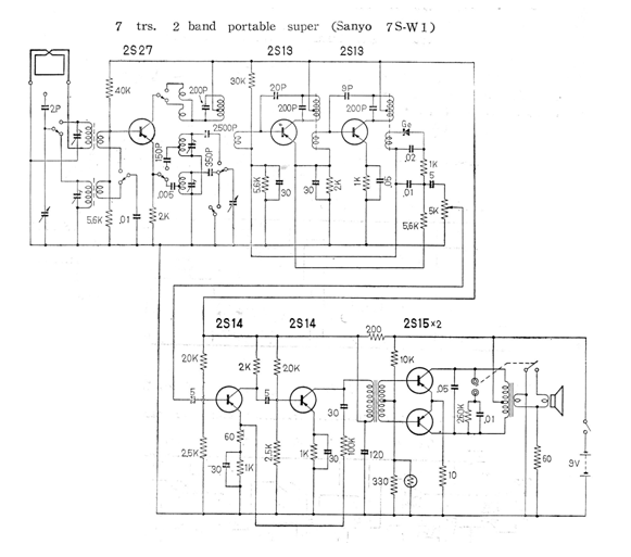
Este receptor comercial fabricado por Sanyo en los años 60 usaba antena de cuadro. El circuito es japonés con 7 transistores y tiene todavía el rango de ondas cortas de 3,9 a 12 MHz. El circuito se alimenta con 9 V procedentes de pilas o una batería potente. La salida de audio llega a 350 mW.




