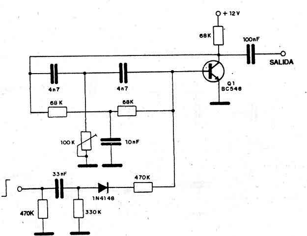
Este oscilador de doble T amortiguado produce el sonido de clave que es ajustado en el trimpot de lazo de realimentación. La frecuencia es básicamente dada por los capacitores de 4n7 y 10 nF en el doble T. los cuales pueden ser alterados, pero manteniendo la misma relación. El disparo se hace por un pulso positivo y la salida es aplicada a un buen amplificador. Este circuito puede servir de base para generadores de ritmos o instrumentos musicales electrónicos sofisticados.




