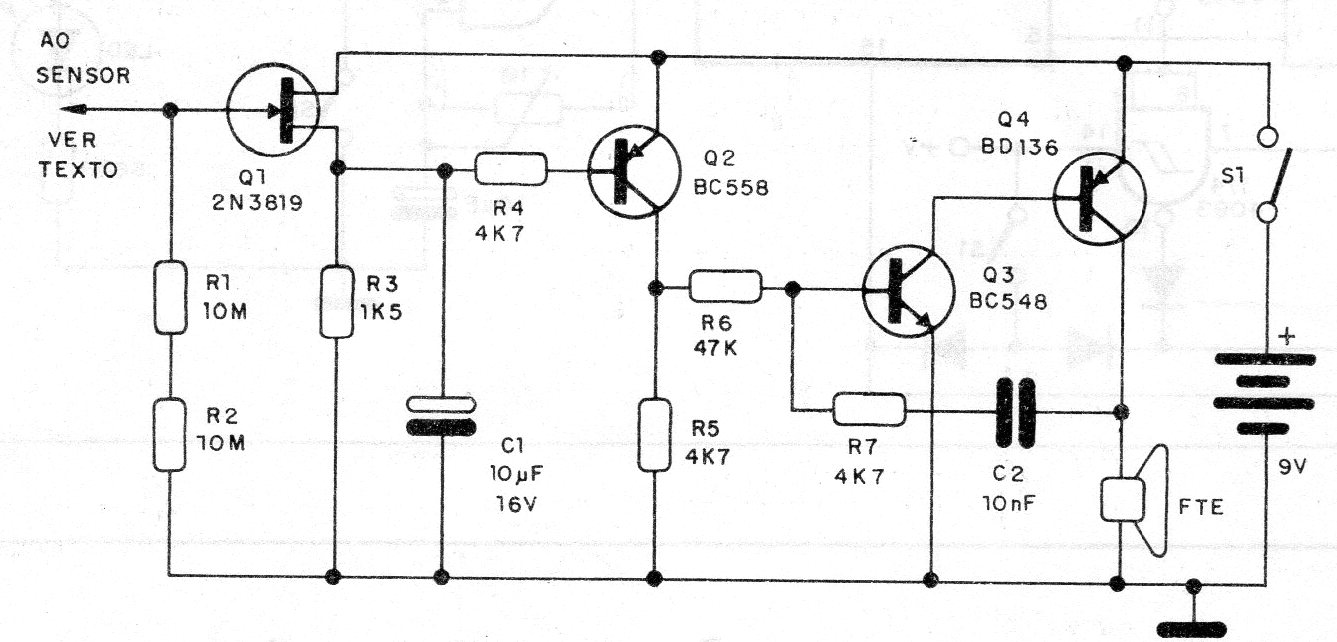
Este sensible circuito de toque que dispara un oscilador utiliza sólo transistores. El circuito es alimentado por pilas, pudiendo servir como una alarma o aún en demostraciones. El JFET puede ser el BF245 y el sensor un pedazo de hilo o una placa de metal.




