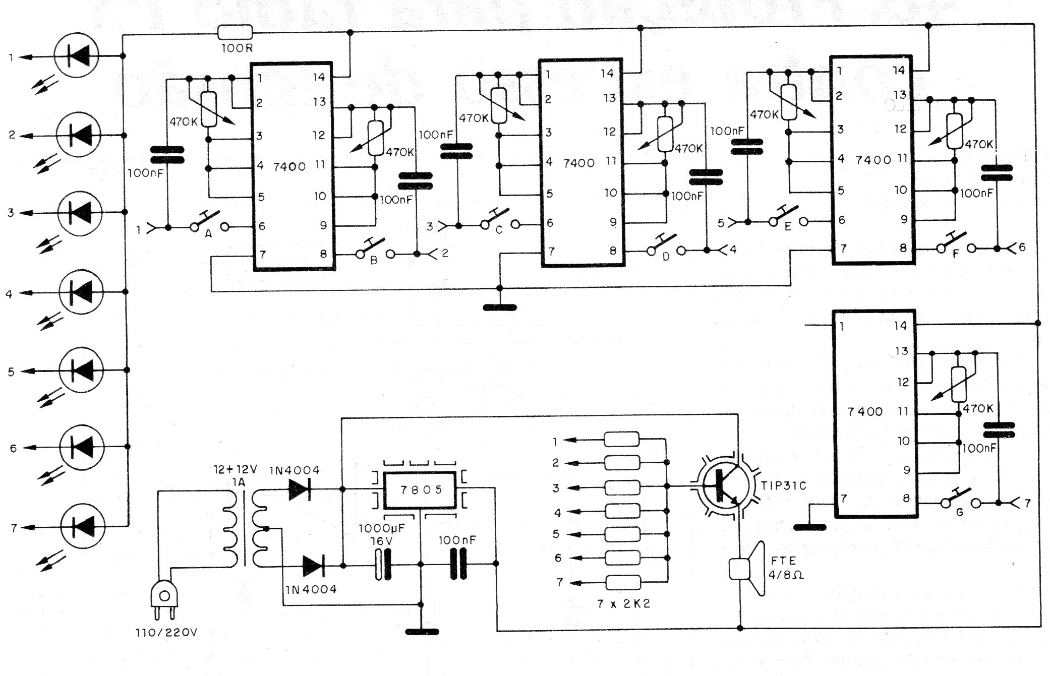
Encontramos este circuito en una publicación de 1986. Como él emplea circuitos TTL comunes, todavía se puede montar fácilmente. El circuito debe ser alimentado por 5 V de la fuente que se incluye y la señal de salida se aplica al pequeño amplificador ya existente o se puede aplicar a un amplificador externo.




