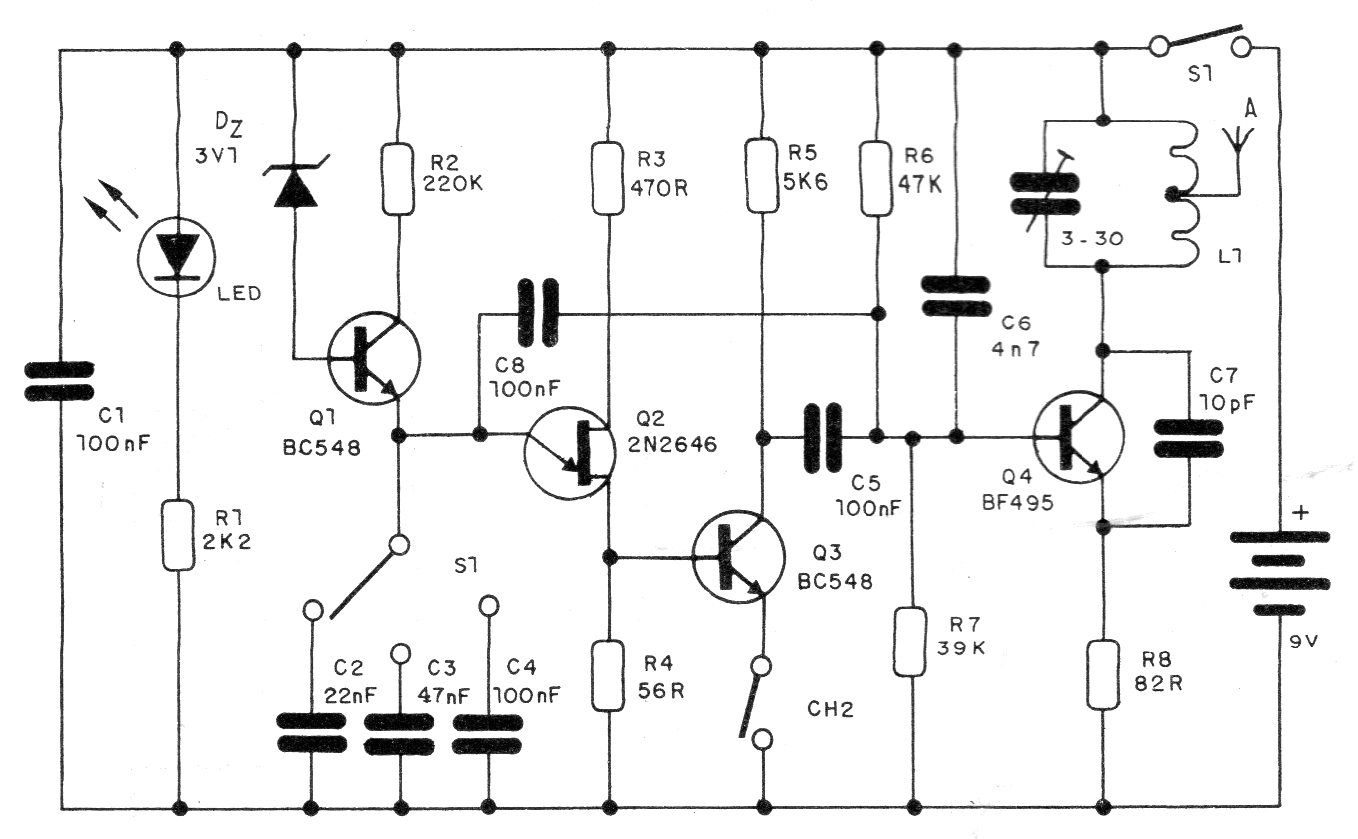
Este circuito, de 1989, genera barras horizontales en la pantalla de un televisor analógico antiguo. El circuito era indicado en la época para los ajustes de linealidad y altura de aquellos televisores. Las anchuras y separaciones de las barras fueron seleccionadas por la llave selectora con 3 condensadores. El circuito irradia directamente las señales al televisor. L1 tiene 5 espiras de hilo 24 o 26 en forma de 1 cm con toma central.




