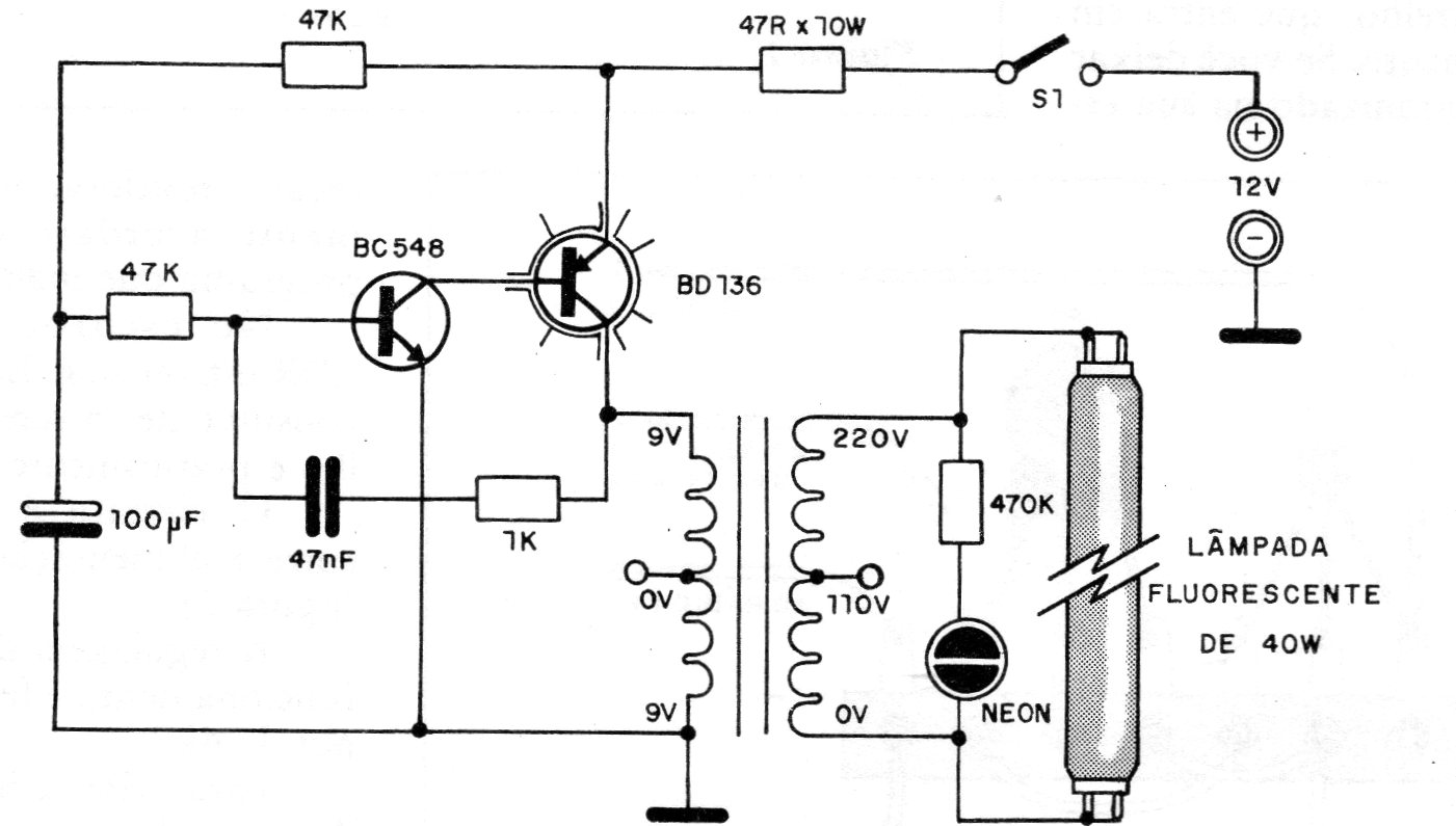
Este convertidor para pequeñas lámparas fluorescentes (hasta 20 W) puede ser alimentado por batería de 12 V y menos. El transformador tiene un primario de 110/220 V y secundario de 9 + 9 V x 200 mA o más. El transistor BD debe estar dotado de un disipador de calor. Eventualmente los resistores pueden ser alterados para obtener el mejor rendimiento.




