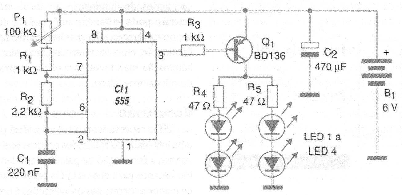
Con este simple circuito podemos controlar el brillo de un conjunto de LEDs de cualquier color a través de la modulación. El ajuste es hecho por P1 y la tensión de alimentación puede quedar entre 5 y 15 V. La resistencia en serie con los LED depende de la corriente máxima deseada.




