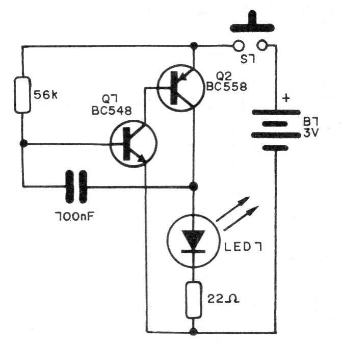
Este circuito de un canal puede ser utilizado con uno de los muchos receptores que describimos en esta sección e incluso en otros artículos del sitio. Para mayor directividad y alcance el LED emisor infrarrojo debe instalarse en un tubo dotado de una lente.




