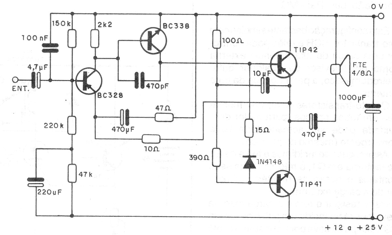
Esta configuración tradicional complementaria es de una documentación de 1990. Los transistores deben estar dotados de disipador de calor y la fuente debe proporcionar al menos 1,5 A de corriente. La potencia máxima se obtiene con la alimentación de 25 V.




