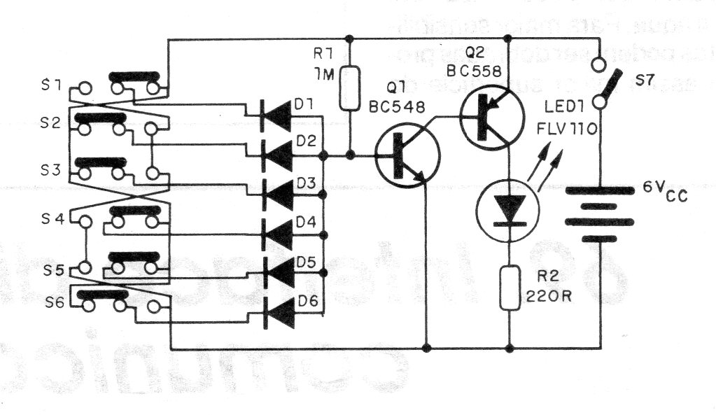
Este juego tiene por objetivo hacer que se descubra cuál es la combinación de llaves accionadas que hace que los LED se encienden. El circuito se alimenta con pilas o baterías.
En el circuito de la figura utilizamos dos de las puertas del 4093 como un biestable y las otras...
Este circuito simple se puede utilizar para reforzar la señal de fuentes que no son capaces de...
El circuito presentado fue encontrado en un Linear Applications Handbook de National Semiconductor de 1994....