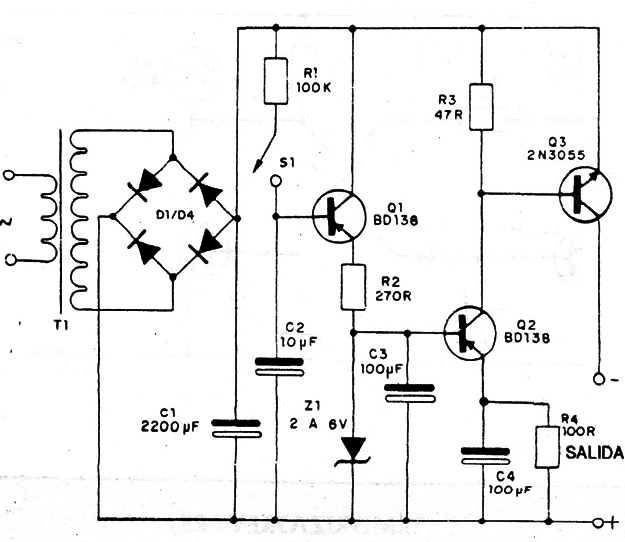
Al cerrar S1 la tensión de salida sube suavemente evitando el chasquido en el parlante. Q3 se debe montar en disipador de calor. La tensión del secundado del transformador debe ser del mismo orden que la tensión de salida. Los diodos son elegidos de acuerdo con la corriente del amplificador alimentado. El límite de tensión para esta fuente es de 80V con corriente máxima de alrededor de 2 A.




