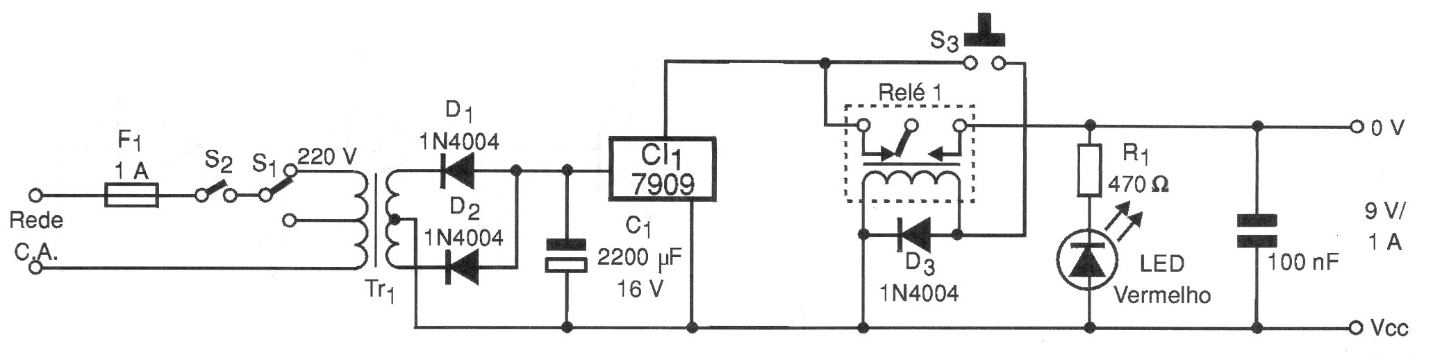
Este circuito se basa en el integrado 7909 que no es muy común, teniendo un relé que desconecta la alimentación si hay un corto en la salida. Para rearmar, después de retirar el curso, basta presionar S3. El mismo concepto vale para otras tensiones.
Con sólo un transistor (PNP o NPN) usted puede hacer un teléfono de juguete con buen rendimiento gracias...
En la figura 1 tenemos un oscilador controlado a cristal que puede generar señales en el rango de...
Este circuito se destina al control de cargas de corriente continua en el rango del 0 a 15 V con...