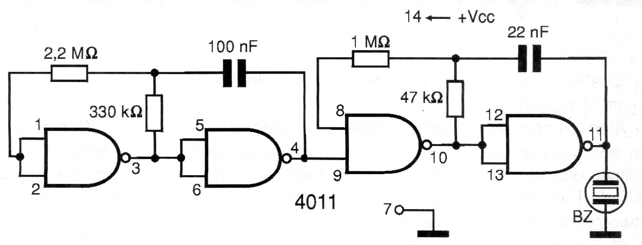
Esta configuración ya se ha utilizado varias veces en muchos de nuestros proyectos y se puede encontrar en esta sección de otras formas. El circuito es de una documentación de 2000 y la alimentación en los pines 14 y 7 se puede hacer con tensiones de 3 a 12 V.




