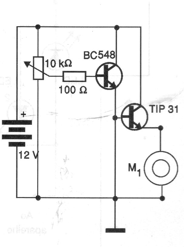
Este es un simple circuito de reóstato para control de motor que funciona con tensiones de 6 a 12 V. La corriente máxima del motor es de 3 A y el transistor TIP31 debe montarse en disipador de calor.

Este es un simple circuito de reóstato para control de motor que funciona con tensiones de 6 a 12 V. La corriente máxima del motor es de 3 A y el transistor TIP31 debe montarse en disipador de calor.
