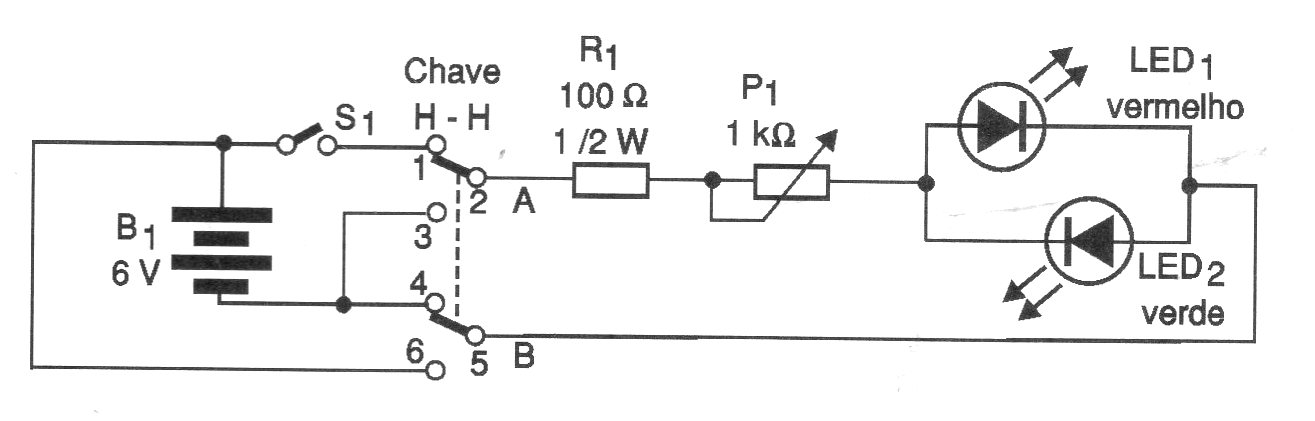
Este circuito se puede utilizar para mostrar el sentido de circulación de la cadena en semiconductores como, por ejemplo, LED. Con la corriente en un sentido, un LED se enciende e invierte el sentido a través de la llave, el otro LED se enciende. P1 controla el brillo.




