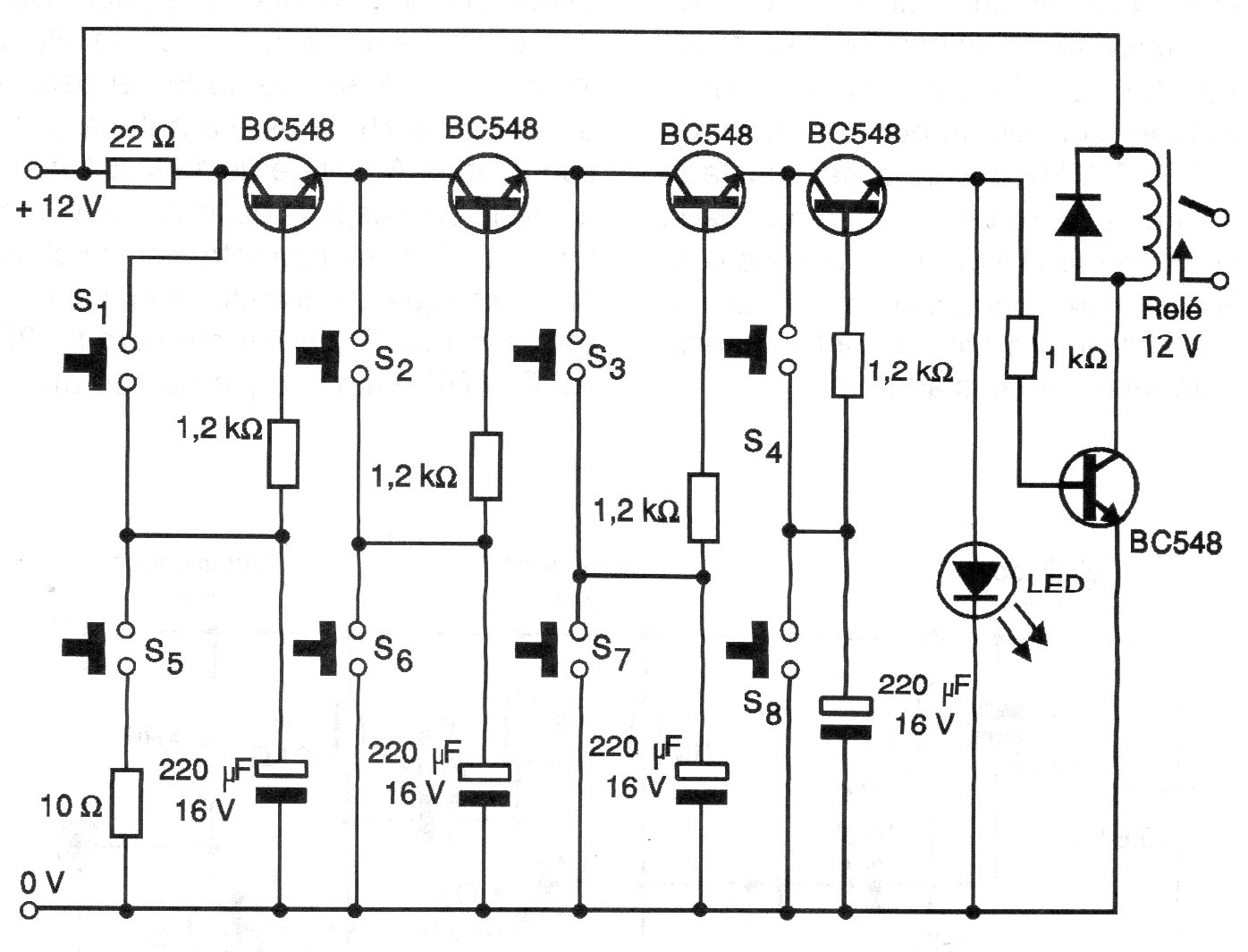
Este circuito de 2001 utiliza transistores comunes que se pueden utilizar en una cerradura electrónica. Sólo si se escribe la contraseña correcta es que el relé activo. OI circuito se alimenta de 12 V que es la tensión del relé utilizado.
Con sólo un transistor (PNP o NPN) usted puede hacer un teléfono de juguete con buen rendimiento gracias...
En la figura 1 tenemos un oscilador controlado a cristal que puede generar señales en el rango de...
Este circuito se destina al control de cargas de corriente continua en el rango del 0 a 15 V con...