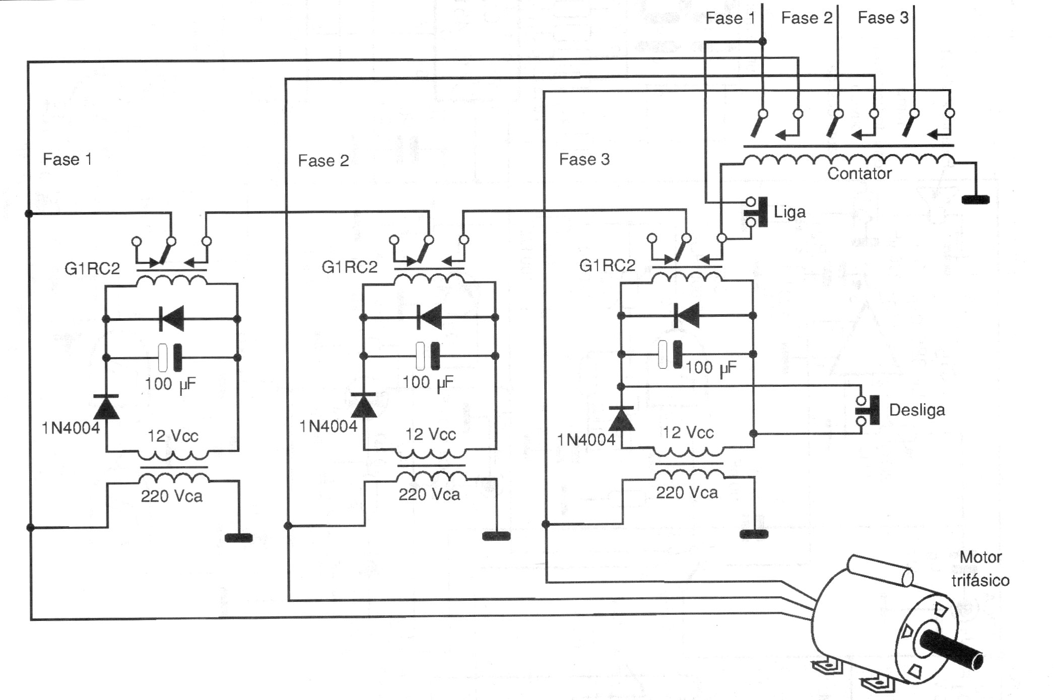
Este circuito desconecta un motor trifásico en caso de falta de una o dos fases, protegiendo así su integridad. Los relés usados son de 12 V con contactos que soportan la corriente necesaria para el accionamiento de los contactos. El circuito es de una documentación antigua.




