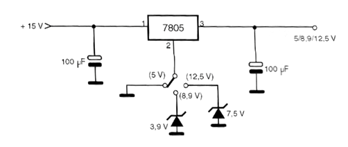
El circuito de la figura puede proporcionar tensiones de 5, 8,9 y 12,5 V en su salida, haciendo todo esto a partir de un regulador fijo de tensión de 5 V. La corriente máxima de salida es de 1 amperio y el circuito integrado El regulador de tensión debe estar dotado de un buen radiador de calor, sobre todo si el lector desea trabajar en sus límites de corriente. Los diodos zener son de 400 mW y el capacitor de entrada necesita tener una tensión de trabajo mayor que la de entrada. El capacitor de salida puede ser de 16 V.




