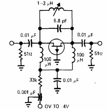
Encontramos este atenuador en una documentación para radioaficionados de 1971. El circuito hace uso de un FET común, que puede ser el BF245 para atenuar señales en 50 dB señales hasta 30 MHz.

Encontramos este atenuador en una documentación para radioaficionados de 1971. El circuito hace uso de un FET común, que puede ser el BF245 para atenuar señales en 50 dB señales hasta 30 MHz.
