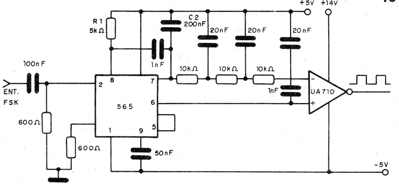
Este circuito de 1992 demodula señales FSK proporcionando una salida lógica compatible con TTL. El funcionamiento puede ser sustituido por equivalentes y la alimentación del sector lógico hecha con 5 V. El sector operativo debe tener alimentación de acuerdo con el circuito que debe ser excitado.




