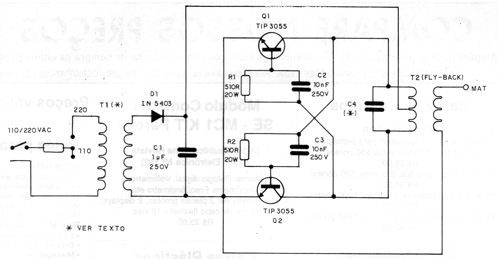
Este generador de muy alta tensión fue encontrado en una documentación de 1995. Los transistores deben estar dotados de disipadores de calor y el transformador tiene 15 + 15 V con 3 A. La bobina de alta tensión consiste en un flyback con núcleo inferior expuestos donde enrollamos 6 + 6 espiras de hilo 18.




