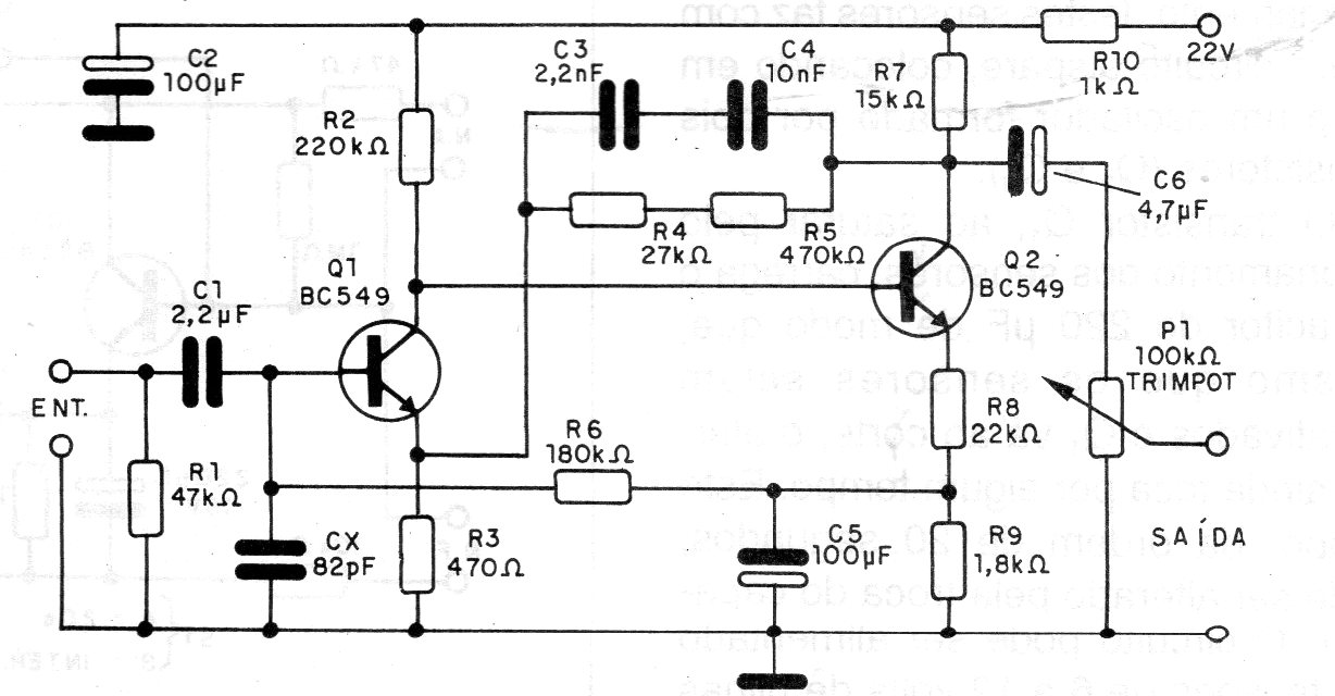
Este circuito con transistores de una publicación de 1995. El circuito es alimentado por una tensión tomada del propio amplificador. El consumo de corriente es muy bajo. Los transistores usados son comunes. La impedancia de entrada es de 50k.
Con sólo un transistor (PNP o NPN) usted puede hacer un teléfono de juguete con buen rendimiento gracias...
En la figura 1 tenemos un oscilador controlado a cristal que puede generar señales en el rango de...
Este circuito se destina al control de cargas de corriente continua en el rango del 0 a 15 V con...