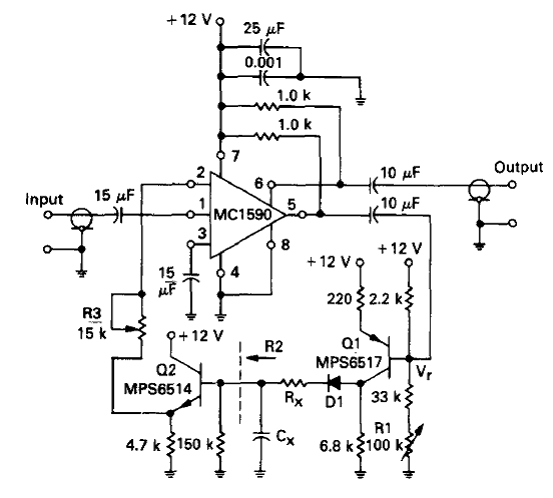
Este compresor que refuerza la banda de voz es del Linear Databook de Motorola de 1990. El circuito puede ser implementado con otros operacionales equivalentes. Los transistores también admiten equivalentes.

Este compresor que refuerza la banda de voz es del Linear Databook de Motorola de 1990. El circuito puede ser implementado con otros operacionales equivalentes. Los transistores también admiten equivalentes.
