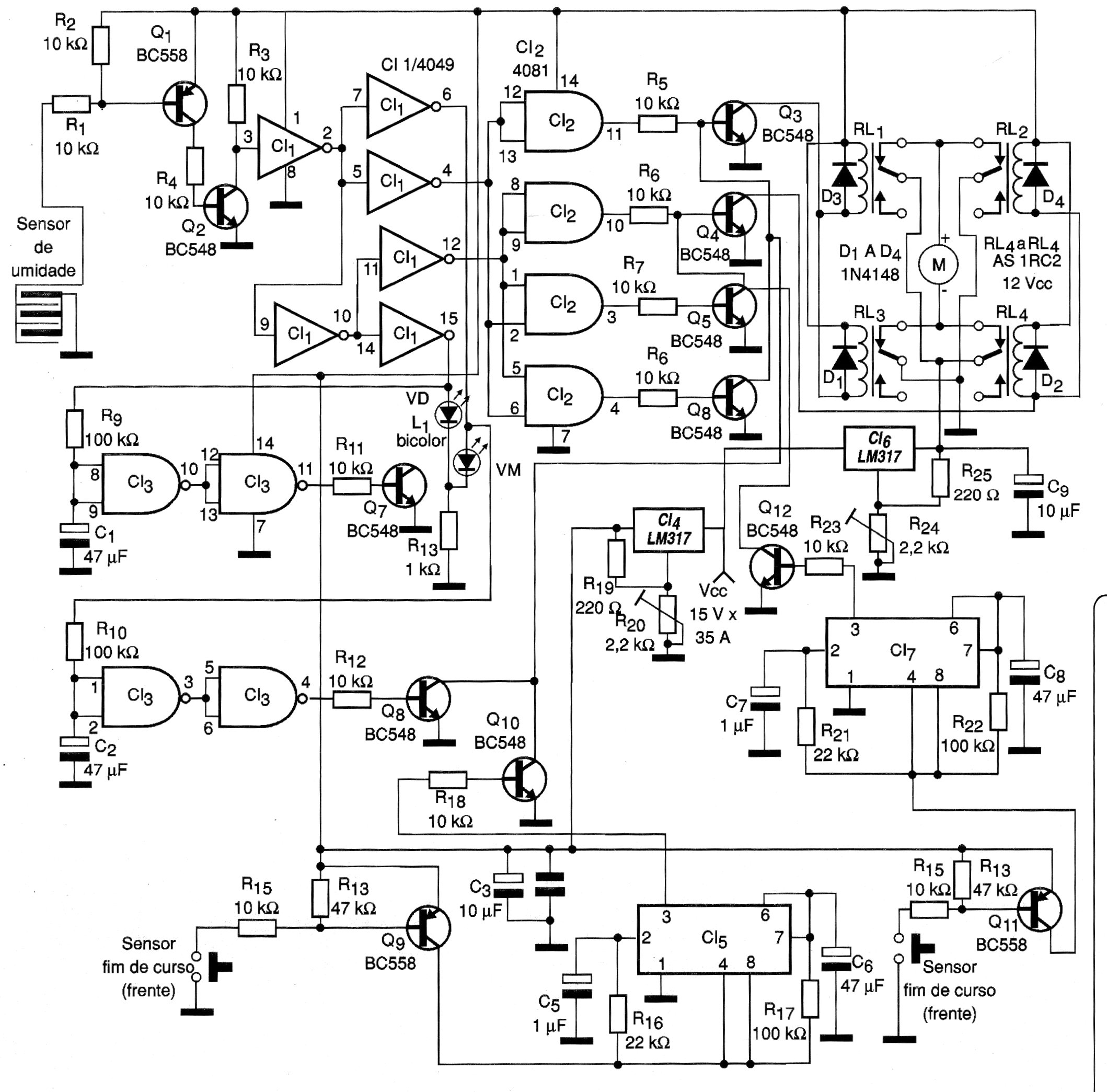
Este circuito abre un depósito cuando empieza a llover y lo cierra cuando el sensor de humedad se seca. El circuito es de una documentación de 2006. El motor es controlado por un puente H y nada impide que el diseño original pueda ser perfeccionado con el uso de microcontroladores. El circuito se alimenta con una batería de 12 V.




