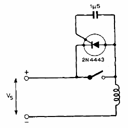
El circuito mostrado en la figura suprime arcos en contactos cuando se conmutan cargas inductivas. El SCR puede ser equivalente más moderno como de la serie TIC, siempre que soporta las altas instantáneas. El circuito es de una documentación de los años 70.




