Esta fuente experimental proporciona tensiones de salida de 150 V continuas si está conectada a la red de 110 V y 300 V si está conectada a la red de 220 V. La corriente máxima es del orden de 20 mA para que no se produzcan caídas significativas en la carga y el filtrado afectadas. Podemos utilizar esta fuente en pruebas de aislamiento, circuitos experimentales con válvulas y lámparas de neón.
Hay muchos experimentos y montajes que requieren altas tensiones continuas para la alimentación. En este caso incluimos algunos circuitos con válvulas, pruebas de aislamiento, circuitos con lámparas de neón y de xenón.
En este artículo se describe una simple fuente de alimentación que hasta puede aprovechar material de chatarra, siendo capaz de suministrar en la salida tensiones de 150 V (110 V) y 300 V (220 V). Estos son los valores de pico con los capacitores de filtro, que pueden proporcionar, sin problemas, corrientes hasta 20 mA en una carga experimental en régimen continuo.
Es importante observar que esta fuente no utiliza transformador y, por lo tanto, no está aislada de la red y la energía. De esta forma, tanto por el no aislamiento de la red y por las altas tensiones utilizadas, todos los cuidados deben ser tomados por el montador y usuario en el sentido de evitar cualquier contacto directo capaz de causar choques peligrosos.
Sugerimos que su montaje sea hecho en caja de madera o plástico y que todos los puntos "vivos" de conexión sean debidamente indicados y que sólo ella sea manipulada por personas con conocimiento.
Características:
• Tensión de entrada: 110 Vca o 220 Vca
• Tensiones de salida: 150 V o 300 V
• Corriente máxima: 20 mA
Como funciona:
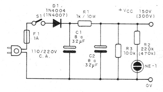
El circuito consiste en un rectificador de media onda con un diodo de silicio, para mayor simplicidad, directamente conectado a la red de energía.
La tensión después del diodo D1 sirve para cargar el primer capacitor de filtro C1 y luego C2 vía R1, con la tensión de pico de la red local. Esta tensión de pico se obtiene multiplicando la tensión rms de entrada por la raíz cuadrada de 2, o aproximadamente 1,41.
Tenemos tensión la carga del capacitor con aproximadamente 150 V en la red de 110 V y 300 V en la red de 220 V.
El filtro en "Pi" formado por C1, C2 y R1 garantiza un buen filtrado para la tensión continua obtenida en la salida. Podemos usar capacitores de 8 uF a 47 uF.
El fusible F1 protege el circuito y la instalación local en caso de que ocurra algún problema como, por ejemplo, la ocurrencia de corto en el capacitor C1 o en el diodo.
En la salida tenemos una lámpara neón indicadora que sirve para avisar que el circuito se encuentra energizado. En el caso de los capacitores C1 y C2, la carga existente en los capacitores C1 y C2 puede mantener la lámpara encendida incluso después de que el circuito se desconecte de la red sirviendo de alerta para que no sea tocado, pues puede causar choque por la presencia de tensión en los capacitores.
Montaje
En la figura 1 tenemos el circuito completo de la fuente.

Como se utilizan pocos componentes, el montaje se puede realizar sobre la base de un pequeño puente de terminales, como se muestra en la figura 2.

Los capacitores electrolíticos deben tener una tensión de trabajo de al menos 200 V si el circuito se opera en la red de 110 V y al menos 350 V si se opera en la red de 220 V.
La técnica de montaje depende del tipo de capacitor utilizado. Para los capacitores de rosca, encontrados en equipos antiguos, utilice la conexión por hilos y para los axiales o paralelos el montaje convencional.
Muestra las dos técnicas de montaje en la figura 3.

Si utiliza un capacitor aprovechado de chatarra de prueba antes. Finalmente, un capacitor malo causará la quema del fusible cuando el aparato se alimenta.
Los diodos pueden ser 1N4004 o 1N4007 si la red es de 110 V y 1N4007 si la red es de 220 V.
La lámpara de neón es del tipo común NE-2H o equivalente.
Para las salidas de alta tensión sugerimos la utilización de bornes aislados o bien cables rojo y negro con garras también aisladas.
Prueba y uso
Coloque el fusible en el soporte y encienda la unidad en la red de alimentación. Si todo está bien, al accionar S1 la lámpara de neón debe encenderse.
Si el lector tiene un multímetro, colóquelo en una escala alta de tensiones continuas (VDC) y mida la tensión de salida. En la red de 110 V, dependiendo de la tensión medida debe quedar entre 120 y 150 V y en la red de 220 V entre 250 y 300 V.
Comprobado el funcionamiento, el lector podrá utilizar la fuente, siempre respetando sus limitaciones y tomando cuidado al manipularla, pues ella no está aislada de la red de energía.
Damos a continuación algunos usos interesantes para esta fuente, recordando queno sitio del autor se pueden encontrar otras aplicaciones importantes.
a) Prueba de aislamiento
En la figura 4 tenemos el modo de hacer la prueba de aislamiento de capacitores, utilizando una lámpara neon como indicador.
La lámpara debe dar un parpadeo al colocar las puntas de prueba en el capacitor, para luego apagar y el capacitor esté bien. Si permanece encendida es señal de que el capacitor está en corto o presenta fugas.
Los capacitores de hasta 1 o 2 uF pueden ser probados, con tensiones de aislamiento por encima de la tensión de la fuente.

b) Prueba de lámparas de neón
Sólo hay que conectarlas en la salida en serie con un resistor de 220 k a 1 M, como muestra la figura 5.

c) Prueba de bobinas de encendido
Con un toque momentáneo de las salidas de la fuente en el primario de la bobina tenemos la descarga del capacitor con la producción de un pulso de alta tensión en la salida, si la bobina está en buen estado.
Para que la chispa ocurra el terminal de alta tensión debe estar cerca del terminal de tierra de la bobina, conforme muestra la figura 6.

d) Medidas de resistencia muy altas
Para este propósito utilizamos el multímetro en una escala baja de corrientes en serie con una resistencia de 100 k si la red es de 110 V y 220 k si la red es de 220 V, como muestra la figura 7.

En serie con los resistores tenemos trimpots de 100k o 220k en los dos circuitos.
Estos trimpots se ajustan para obtener una lectura de 1 mA cuando se unen las puntas de prueba.
Al conectar el resistor en prueba entre las puntas obtendremos una corriente y en su función, aplicamos la siguiente fórmula para obtener su valor:
R = 150 x (1-I) / I para la red de 110 V
o
R = 300 (1 -I) / I para la red de 220 V
Donde:
R es la resistencia en kohms
I es la corriente en mA
D1 - 1N4004 (110 V) o 1N4007 (220 V) - diodo
C1 y C2 - 8 a 47 uF - ver texto
S1 - Interruptor simple
F1 - 1 A-fusible
R1 - 1k x 10 W - resistor de hilo
R2 - 220k a 470 k - resistor
R3 - 100k x 1/8 W - resistor (marrón, negro, amarillo)
NE-1 - Lámpara de neón común
Varios:
Caja para montaje, puente de terminales, cable de fuerza, soporte para fusible, bornes, hilos, etc.



