¿No duran las Pilas de su pequeño radio, grabadora, tocadiscos o linterna lo que esperas? ¿Los costos de la pila son excesivos? Alarga la vida útil de tus pilas ahorrando dinero con este aparato que las hace rejuvenecer cuando aparentemente están completamente agotadas.
Las pilas secas comunes, como las que usa en su pequeña radio, una vez desgastada no se pueden recargar.
Su funcionamiento se basa en la aparición de reacciones químicas irreversibles en su interior que, consumiendo ciertas sustancias, liberan la electricidad que puede proporcionar al aparato que alimenta.
Cuando usted compra una pila nueva viene con una cierta carga, representada por la cantidad de sustancia activa que puede reaccionar y proporcionar energía al aparato que desea alimentar. Esta energía se manifiesta en forma de tensión entre sus polos que debe mantenerse durante la mayor parte de la duración de la pila.
Sin embargo, como se muestra en la figura 1, la tensión de una pila varía durante su vida útil cayendo a un valor en el que ya no se puede admitir para una aplicación práctica.
La durabilidad de la pila, es decir, el tiempo que puede suministrar energía depende del consumo actual del aparato, por lo tanto, hay pilas de varios tipos y tamaños de acuerdo con los requisitos de potencia del aparato que se debe alimentar.
Cuando una pila funciona "vagamente" proporcionando una corriente relativamente pequeña, o muy por debajo de su capacidad máxima, las reacciones de liberación de energía ocurren normalmente y por lo tanto se puede decir que su durabilidad es normal.
Pero si una pila funciona al límite proporcionando altas corrientes como ocurre en grabadoras, juguetes con alto consumo y motores, las reacciones pueden forzarse a ocurrir entonces un corte de energía o "cansancio" incluso si la pila no está completamente agotada.
El problema en cuestión se debe generalmente a la formación de burbujas de hidrógeno dentro de la pila que deben ser absorbidas por una sustancia "despolarizante". Si la sustancia no tiene en cuenta la absorción de las burbujas se acumulan y hay una caída sensata en el suministro de energía.
Existe la creencia de que al colocar una pila gastada en el congelador de un refrigerador se "carga a sí mismo" y luego puede trabajar un poco más de tiempo en una radio, grabadora o linterna.
Lo que sucede en este caso no es exactamente una recarga o al menos una acción de frío en el funcionamiento de la pila. Lo que funciona en el caso es el "descanso" de la pila que da tiempo para que los productos químicos en el interior para recomponer para proporcionar un poco más de energía.
Colocar las pilas en el frigorífico o no es, en realidad, el tiempo de descanso que tiene una acción rejuvenecedora (figura 2).
Una manera de obtener una "poco más" energía de una pila activando lo que queda de sus productos químicos es calentarla en un baño de agua.
Coloque la pila al final de su vida útil en agua caliente durante 2 o 3 minutos y luego deje que se enfríe completamente antes de usarla. La calefacción puede "reactivar" un poco la pila haciendo que funcione durante un tiempo más en su radio, grabadora o linterna. (figura 3).
Vea el lector que estos procedimientos que damos son válidos sólo para pilas secas. ¡Las pilas alcalinas no permiten la calefacción o la recarga directa y en algunos casos pueden explotar incluso!
Pero ¿hay alguna manera de recargar, rejuvenecer o cualquier otra cosa con una pila con el fin de obtener más de ella con recursos electrónicos?
Las reacciones dentro de la pila se pueden reactivar e incluso prolongar mediante una excitación eléctrica. A continuación, se explica cómo se puede hacer esto y cómo el aparato para lograr una mayor vida útil de las pilas.
UN REJUVENECEDOR ELECTRÓNICO
Un acumulador común como el utilizado en el coche se puede recargar pasando una corriente en la dirección opuesta a la de su suministro como se muestra en la figura 4.
Simplemente conecte una fuente de corriente directa como se muestra en la figura 5 a este acumulador y circule una corriente de intensidad controlada que determinará el tiempo de recarga.
Este es el principio de funcionamiento de los cargadores de batería que vemos en los talleres eléctricos automáticos.
En nuestro caso, la conexión de una fuente de energía en el modo indicado en una pila no da lugar a su recarga porque la reacción que se produce en su interior no es reversible.
Sin embargo, la circulación de una corriente en estas condiciones puede causar una reactivación de las sustancias en su interior y por lo tanto una extensión de su vida útil. Es precisamente en este principio que nuestro "rejuvenecedor electrónico de pilas" se basa.
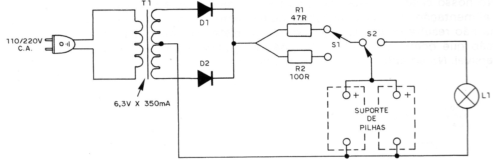
A continuación, tenemos un transformador que reduce la tensión de la red a un valor compatible con corriente directa que debemos aplicar a las pilas, un rectificador y dos teclas: una que cambia la velocidad de carga y la otra que permite degustar las pilas a prueba.
En la figura 6 tenemos un diagrama de bloques para representar el aparato.
EL MATERIAL
La parte básica del montaje, transformador y rectificadores no ofrece dificultades para obtenerse porque son componentes comunes en nuestro mercado.
El transformador tiene un bobinado primario según la red local, es decir, 110 V o 220 V, y un bobinado secundario de 6 + 6 V con corriente de al menos 350 mA.
Los diodos utilizados son del tipo para una tensión mínima de 50 V y se puede utilizar corriente de 1 A. Diodos 1N4001, 1N4002, 1N4004 o BY127.
Tenemos debajo de llave de conmutación de velocidad que en el diagrama es tipo 1 polo x 2 posiciones. Sin embargo, el lector puede encontrar más fácilmente llaves de 2 polos x 2 posiciones y dejar uno de sus polos libre.
La llave de prueba también es tipo 2 x 2.
Tenemos de esta parte del proyecto algunas opciones para el lector:
El rejuvenecedor se puede hacer para trabajar con 2 o 4 pilas a la vez según su voluntad.
A continuación, el aparato debe tener soportes para 2 o 4 pilas y estos deben ser del tipo para acomodar dos o cuatro pilas pequeñas, medianas o grandes.
El modelo básico que describiremos será recibir 2 pilas, siendo utilizadas dos soportes: uno para pilas pequeñas y otro para pilas grandes.
Si el aparato se va a montar para cargar 2 pilas, la lámpara de ensayo debe ser de 3 V y deben preferirse los tipos de 50 a 150 mA de corriente. Para 4 pilas, la lámpara de prueba debe ser de 6 V con las mismas especificaciones de corriente anteriores.
Finalmente tenemos la caja para el montaje que puede ser del tipo sugerido en la figura 7 de madera o incluso metal.
Asegúrese de que los soportes de la pila están montados en la parte superior de la caja para una mayor facilidad de operación.
MONTAJE
Las piezas soldadas de las conexiones deben hacerse con una plancha pequeña (máximo 30 W) y como herramientas adicionales utilizan unos alicates de corte lateral, alicates de punta fina y destornilladores.
El circuito rejuvenecedor completo se indica en la figura 8.
Siga la figura 9 para montarlo.
El procedimiento básico para realizar el montaje es el siguiente:
En posesión de la caja, taladre para recibir las chaves de conmutación de la lámpara, para el paso del cable de energía y los hilos del soporte de la pila.
- Fije el transformador a la carcasa, observando la posición de los bobinados. El lado de alta tensión debe estar frente al orificio en el cable de energía.
- Asegure las barras de bornas para soldar los terminales del transformador, el cable de energía y los diodos.
- Fije las llaves del interruptor, el soporte de la pila y la lámpara de prueba.
- Suelde los diodos, observando su polaridad dada por el anillo en su cuerpo y los resistores.
- Conecte los componentes del puente con llaves, lámparas y soportes de pila con hilo de cubierta de plástico flexible.
Después del montaje, compruebe todas las conexiones antes de hacer uso del aparato.
PRUEBA Y USO
Para saber si la parte de molienda está funcionando, simplemente coloque el circuito en la posición de "carga lenta" y conecte con un cable los puntos A y B de la figura 9
La lámpara debe iluminarse con su brillo normal o un poco más débil.
Probado el funcionamiento del cargador sólo tiene que usarlo. Para utilizar el probador nuestras recomendaciones son las siguientes:
Para pilas pequeñas, utilice siempre la posición de carga lenta y deje las pilas durante 15 minutos a 1 hora para obtener buenos resultados. Si la pila está excesivamente débil, es posible que el aparato no pueda rejuvenecer.
En este caso la solución es tirarlo a la basura.
Para pilas medianas y grandes, puede utilizar la posición de carga rápida y lenta dejándolas de 15 minutos a 1 hora en el aparato.
No cargue pilas grandes y pequeñas al mismo tiempo. Tenga en cuenta la polaridad de las pilas al colocarlas en el soporte.
No recargue las pilas con señales de escapes u óxido.
Para probar las pilas, simplemente colóquelas en el soporte y active la llave. El brillo de la lámpara le dará una idea de su estado.
Al recargar 2 o 4 pilas es necesario tener en cuenta que a veces una o más de ellas no recogen la carga en vista de su estado temprano de agotamiento.
En este caso, el lector puede hacer una prueba de estado individual utilizando una lámpara de gota de agua como se muestra en la figura 10.

Podemos decir en este caso, que la prueba individual de las pilas es mucho mejor en la determinación del rejuvenecimiento y el estado en vista de que esto se hace con el suministro de corriente.
T1 - Transformador de potencia con primario según red local y secundaria de 6 + 6 V x 350 mA
D1, D2- diodos 1N4002 o equivalente
R1 - Resistores de 47 ohms x 5 W
R2 - Resistores de 100 ohms x 5 W
S1, S2 - tecla de 2 polos x 2 posiciones
L1 - Lámpara de 3 o 6 V (Vea texto)
Varios: caja de montaje, cable de energía, soporte de pila, soporte de lámpara (opcional), hilos, soldadura, puente de terminales, etc.












