Una caja de control electrónica para la temperatura y el funcionamiento de su soldador que le mantiene siempre listo para el trabajo y que permite mucho más fácil obtener la soldadura perfecta. Un accesorio que no puede faltar en la bancada en absoluto.
No es exagerado decir que el 50% del éxito en el montaje de cualquier aparato electrónico depende de la forma en que se hacen las soldaduras. Mucho más que un simple medio de conectar un componente en posición de trabajo, la soldadura también sirve como una conexión eléctrica y en muchos casos como una conexión térmica.
Una soldadura imperfecta puede influir en el funcionamiento de un aparato de muchas maneras, incluso renderizando componentes inutilizables.
La soldadura en frío, por ejemplo, evita el paso de corrientes, actuando como una verdadera "resistencia" en el circuito; soldadura demasiado voluminosa puede conducir a la aparición de capacitancias parasitarias que afectan el funcionamiento del circuito e incluso puede ser la causa de un corto circuito.
Para la realización de una soldadura perfecta (figura 1) no sólo entra en juego la habilidad del montador, sino también la calidad de las herramientas y su conveniente preparación.
La capacidad del soldador se manifiesta en la dosis correcta de soldadura, manejo del soldador y de las piezas, soldadura y en la limpieza y preparación del lugar de la soldadura, y en el posicionamiento de los componentes.
La calidad de las herramientas se manifiesta en su elección de acuerdo con la potencia requerida para cada trabajo, en la temperatura y la forma de la punta.
Es, sin embargo, el tercer elemento que es de particular interés para nosotros en este artículo: la preparación conveniente de la herramienta de soldadura.
Para realizar una soldadura perfecta, un soldador convencional que aparece en la figura 2 necesita calentarse de 5 a 10 minutos antes de utilizarse.

Su punta debe ser convenientemente estañada antes de cada soldadura.
La necesidad de conectar el soldador al menos 5 minutos antes de que se utilice, la necesidad de mantenerse encendido, incluso cuando no lo utilizamos
continuamente para mantener el calor, son molestias que vamos a tratar de eliminar con nuestra planta de soldadura.
Lo que proponemos a los lectores entonces es un aparato donde su soldador o planchas se conectarán y que permite un control especial de su funcionamiento.
La planta tiene dos controles que permiten dos condiciones con indicación visual de funcionamiento: en la primera posición que está esperando, el soldador permanece caliente, pero no a toda potencia, siendo llevado rápidamente a la temperatura normal cuando lo necesitamos.
En esta posición la plancha permanece caliente, pero con ahorro de energía y menos desgaste para ella.
En la segunda posición, toda la potencia se aplica a la plancha cuando se lleva a su temperatura de funcionamiento normal, y luego se puede utilizar normalmente (figura 3).
El aparato tiene dos lámparas indicadoras para mostrar en qué estado está trabajando la plancha, y nuestra sugerencia de montaje proporciona una caja cómoda que sirve como descanso para esta herramienta.
Los componentes utilizados en la realización de este proyecto son comunes y no hay ninguna dificultad para que el principiante lo monte.
CÓMO FUNCIONA
Básicamente este control consiste en un dimmer de dos posiciones, es decir, un circuito que puede aplicar dos potencias al soldador dependiendo de la posición de su tecla de control.
En este circuito se incluyen dos indicadores de luz, es decir, lámparas que permiten al montador saber en qué estado se encuentra el hierro.
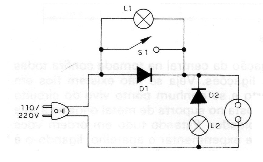
En la figura 4 tenemos el diagrama básico del dimmer que, como el lector puede ver, consiste simplemente en un diodo semiconductor y un simple interruptor.
El funcionamiento de este dimmer es el siguiente:
La corriente alterna de la red de energía consiste en hemiciclos positivos y negativos que circulan por el resistor del soldador calentándolo, en funcionamiento normal.
Los diodos semiconductores son componentes que tienen la propiedad de conducir la corriente en una dirección. Esto significa que si están conectados en serie con la "resistencia" de un soldador y todo el conjunto se alimenta por corriente alterna de la red, sólo la mitad de los hemiciclos serán capaces de pasar.
El hierro recibirá entonces la mitad de la potencia de calentamiento normal, por lo tanto, permanece calentado a una temperatura más baja.
En nuestro circuito, una clave se conecta en paralelo con el diodo de modo que cuando está abierta la corriente pasa a través del diodo y el hierro se calienta sólo con la mitad de la potencia, siendo la posición de espera.
Con la clave cerrada el hierro recibe potencia normal ya que la corriente ya no pasa a través del diodo. El funcionamiento de los dispositivos indicadores también es interesante: se trata de dos lámparas de 5W con tensión según su red, es decir, 110 V o 220 V.
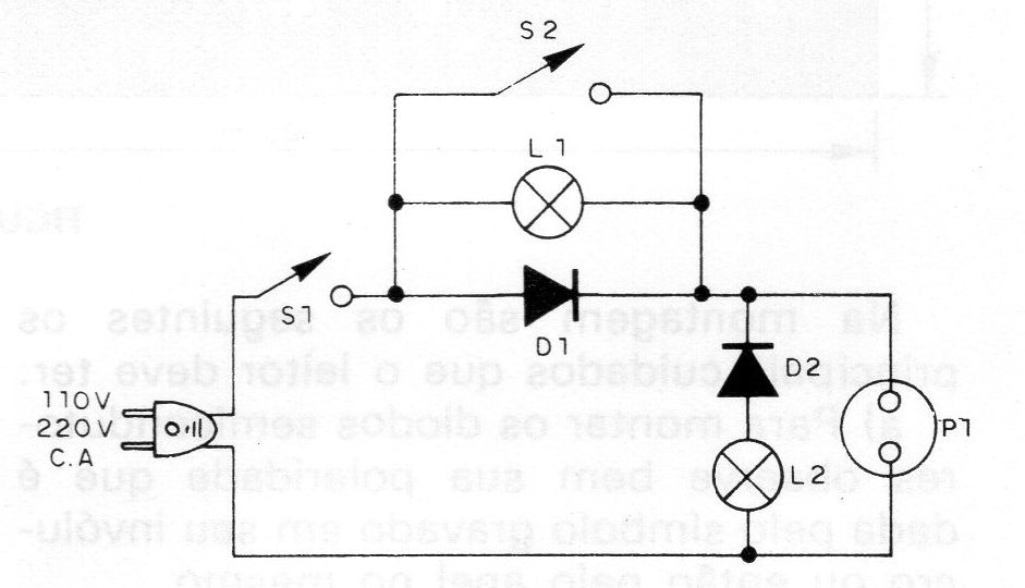
En la figura 5 tenemos la manera de hacer la conexión de estas lámparas.
Uno está conectado en paralelo con el primer diodo, luego se ilumina cuando la llave está abierta. Esta lámpara aprovecha la corriente que polariza el diodo inversamente y pasa a través del soldador.
Como la lámpara es de muy baja potencia, no representa un paso de corriente suficiente para cambiar la temperatura del soldador tan sensible en la posición de espera. La otra lámpara se enciende en serie con un diodo, y ambos en paralelo con el soldador.
Con la llave abierta, el primer diodo proporciona hemiciclos de un tipo al soldador que es precisamente el tipo de hemiciclo que no pasa a través del segundo diodo en vista de su posición.
Con la llave cerrada, la primera lámpara es colocada en corto circuito, y la segunda comienza a encenderse con la mitad de los hemiciclos que pueden pasar a través del diodo D2.
Asegúrese de que estos diodos son importantes en el proyecto y deben soportar la corriente de soldador y la tensión de la red. Para la red de 110 V, con posibilidad de alimentar hierros de hasta 100 W el lector puede utilizar la red 1N4004 y para la red de 220 V con la posibilidad de alimentar hierros de hasta 200 W el lector puede utilizar el BY127 o el 1N4007.
MONTAJE
El circuito completo de la planta de soldadura se muestra en la figura 6.
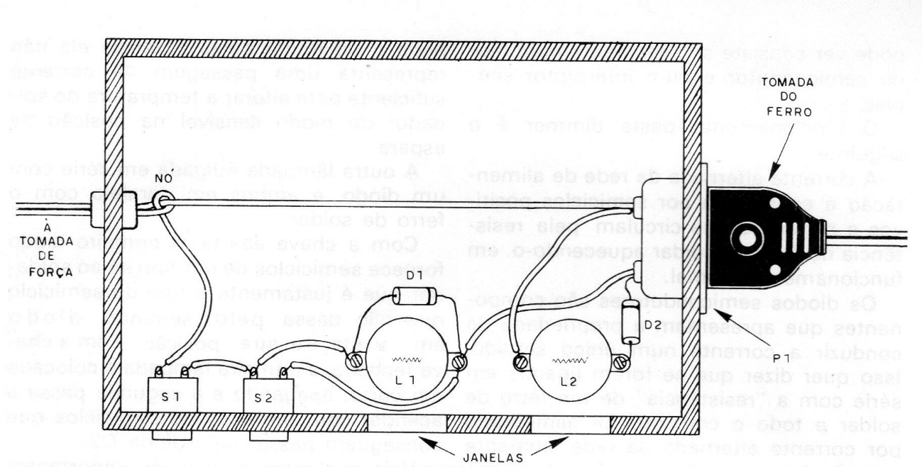
La disposición de los componentes en la caja se muestra en la figura 7, señalando que, por su número reducido no hay necesidad de placa de circuito impreso.
Compruebe que el interruptor S1 y S2 son del tipo que se incrusta en la pared y que se utiliza uno para encender y apagar el aparato y el otro para seleccionar las funciones.
El zócalo donde se conectará el soldador es del tipo de incrustación que también tiene la posibilidad de tener para este S1 y S2 una sola pieza.
La caja de madera tiene las dimensiones que se muestran en la figura 8.
El descanso para el soldador puede ser de metal de acuerdo con las dimensiones que se muestran en la misma figura. Tenga en cuenta que, preferiblemente la madera gruesa y pesada debe utilizarse para hacer la caja para garantizar una estabilidad de apoyo para el hierro.
En el montaje están el cuidado principal que el lector debe tomar:
a) Para montar los diodos semiconductores, observe bien su polaridad que es dada por el símbolo grabado en su carcasa o por el anillo en él.
b) Los hilos de conexión entre los componentes internos serán lo más cortos posible y toda la cubierta de plástico flexible.
c) Las lámparas indicadoras se montan en enchufes incorporadas y se deben preferir lámparas pequeñas que se puedan instalar fácilmente en el interior.
Una vez completado el montaje antes de conectar la central eléctrica a la salida, compruebe todas las conexiones. Asegúrese de que no hay hilos en corto circuito y que ningún punto vivo del circuito toca el soporte de metal donde descansa el soldador.
Cuando todo está en orden, puede probar el aparato conectándolo a la red de energía.
D1, D2 - diodos 1N4004 o 1N4007 - Vea texto
S1, S2 - interruptores simples
P1 - enchufe para el hierro
L1, L2 - Bombillas incandescentes 5W dependiendo de la red local
Varios – hilos, soldadura, caja para tornillos de montaje, pieza de metal para soporte, etc.










