En el artículo COM802S anunciamos la disponibilidad del TPS92830 un controlador de LED de corriente constante de Texas Instruments en Mouser Electronics. Dado el interés por la iluminación de LEDs en nuestros días, decidimos detallar un poco más las aplicaciones de este componente.
El TPS92830-Q1 de Texas Instruments consiste en un controlador de LED que, además de diversos recursos, proporciona una corriente constante a tres carreras de LEDs, siendo indicado principalmente para aplicaciones automotrices como brakelights, luces traseras y luces delanteras.
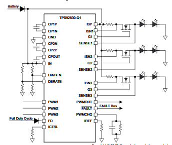
En la figura 1 tenemos el diagrama esquemático simplificado de este componente, cuyo.datasheet completo se puede descargar en: http://www.ti.com/lit/ds/symlink/tps92830-q1.pdf

El rango de tensiones de entrada va de 4,5 a 40 V y la corriente de salida se ajusta para proteger el MOSFET externo.
En la figura 2 tenemos la envoltura de 28 patillas de este componente. Las funciones de los pernos se detallan en el datasheet.

Las tablas que contienen los máximos absolutos y las características eléctricas se pueden obtener en el datasheet. También se proporciona información para cálculos de los componentes externos en un proyecto.
Las curvas del datasheet también permiten evaluar el funcionamiento del circuito en diversas condiciones de funcionamiento.
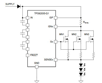
Una condición interesante de aplicación es la posibilidad de excitación de MOSFETs en paralelo como se muestra en la figura 3.

El dispositivo todavía tiene la característica del control de brillo PWM utilizando para este propósito entrada externa.
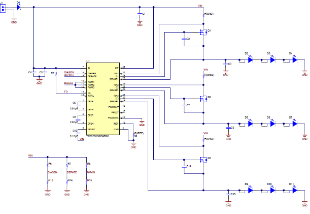
Una aplicación práctica completa se muestra en la figura 4. Se trata de un circuito automotriz para iluminación exterior.

El datasheet detalla los cálculos de los componentes con los valores de los componentes encontrados.
En este caso el circuito excita tres filas de 3 LEDs en serie cada una con una corriente de 300 mA.
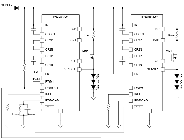
En la figura 5 tenemos una aplicación con dos integrados Mestre-esclavo para excitación de dos filas de LEDs.

Para adquirir el TPS92830-Q1 a través de Mouser acceda a: https://www.mouser.com/new/Texas-Instruments/ti-tps92830-led-driver/



