La interfaz del mundo exterior con los circuitos electrónicos requiere la presencia de sensores. En nuestros días, cada vez más estos componentes están presentes pues son parte integrante de aplicaciones como visibles, electrónica embarcada, wireless, IoT y mucho más. Todos los días nuevos sensores son lanzados por los principales fabricantes y acompañar todos los lanzamientos es prácticamente imposible. Para este artículo seleccionamos algunos circuitos con sensores importantes y que se pueden adquirir en la Mouser Electronics. En los enlaces datos también se puede acceder a los datasheets.
Sensor de Luz Ambiente con el OPT3007
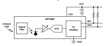
El sensor OPT3007 es un sensor de luz ambiental que tiene una curva espectral de respuesta similar al ojo humano, por lo que se recomienda para aplicaciones en las que esta característica sea importante. El OPT3007 de Texas Instruments tiene su datasheet dado en el enlace: http://www.ti.com/lit/ds/symlink/opt3007.pdf . Las aplicaciones para este sensor incluyen el control de iluminación ambiental, cámaras, visibles, etc. En la figura 1 tenemos un circuito típico de aplicación.

Sensor de corriente hasta 50 A con el TLI4970 D050T5
El circuito presentado es sugerido por Infineon que lo fabrica y que se puede encontrar en la Mouser Electronics. El sensor se puede conectar en paralelo con otros del mismo tipo para la lectura simultánea de varias corrientes en cargas controladas, como muestra el circuito de la figura 2. El enlace al datasheet es: https://www.mouser.com/ds/2 /196/Infineon-TLI4970-D050T5-DS-v01_01-EN-1227877.pdf .

Sensor Hall con el DRV5032
En la figura 3 tenemos un circuito de aplicación con el sensor DRV5032 de Texas Instruments. Este sensor de ultra bajo consumo está indicado para aplicaciones en la detección de posiciones, medida de consumo de energía, IoT, equipos médicos, indicación de posición en válvulas y solenoides, etc. El circuito opera con tensiones de 1,6 a 5,5 V. En la figura 3 tenemos el circuito sugerido por el datasheet que se puede acceder en: http://www.ti.com/lit/ds/symlink/drv5032.pdf

Sensor digital de temperatura con el LM101-Q1
El circuito de la figura 4 es sugerido por Texas Instruments que fabrica el LM101 presentando una precisión de 0,5º C. El circuito utiliza un sensor de 2 terminales lo que lo hace indicado para aplicaciones on-board, automotrices y productos de consumo. La salida es digital, pudiendo ser conectada directamente con microcontroladores, como muestra el diagrama sugerido. Más información se puede obtener en el datasheet en: http://www.ti.com/lit/ds/symlink/lmt01-q1.pdf .

Sensor analógico de temperatura con el LMT84
Este circuito opera con tensiones de 1,5 V siendo sugerido por el propio manual de Texas Instruments que lo fabrica. El datasheet para más información se puede acceder en: http://www.ti.com/lit/ds/symlink/lmt84.pdf . La precisión típica es de +/- 0,4º C y la ganancia es de -5,5 mV / oC. El sensor se suministra en envoltorio de 3 pines con diversos formatos. En la figura 5 tenemos el circuito para uso.

Sensor de fuerza de 500 a 5000 gF
El circuito presentado en la figura 6 es sugerido por la TE Sensor Solutions que fabrica el FS20, componente básico utilizado en el proyecto. El circuito es indicado para aplicaciones en robótica, control de fuera, bombas, sensores de contacto, balanzas, etc. La alimentación se realiza con 5 V y la salida varía entre 0,5 y 4,5 V (tip) en el rango de fuerzas medidas.
Sensor de fuerza con sensor resistivo
El circuito presentado utiliza el sensor resistivo de fuerza de Taiwán Alpha 104-MF01 disponible en el Mouser Electrinics y cuyas características se pueden descargar en su sitio de compras. La resistencia sin carga es mayor que 20 M ohms. En la figura 7 tenemos un circuito típico de aplicación.

Sensor de Ultravioleta (UVA) con interfaz I2C
Este circuito sugerido por Vishay en el datasheet del VEML6070 es un sensor avanzado de radiación ultravioleta indicado para aplicaciones que involucra medida de la luz solar, cosméticos, productos de consumo y todo. Se puede acceder al datasheet en: https://www.mouser.com/ds/2/427/veml6070-533937.pdf . La alimentación del circuito mostrado en la figura 8 se puede realizar con tensiones de 2,7 a 5,5 V y el componente utilizado se suministra en envoltorio OPGA. El modo shutdown reduce el consumo del sensor a menos de 1 uA.





