Lanzado en diciembre de 2017 por Texas Instruments y disponible en Mouser Electronics ( https://www.mouser.com/new/Texas-Instruments/ti-tpa3221-class-d-amps/ ) este amplificador de Clase D (Digital) proporcionar 105 W en la configuración BTL con carga de 4 ohms o 208 W mono en carga de 2 ohms en la configuración PBTL. Vea las características básicas y los circuitos en este artículo.
El amplificador de alta potencia clase D TPA3221 de Texas Instruments tiene una banda pasante de 100 kHz que le permite proporcionar una respuesta plana dentro del rango de audio y con ello sonido de excelente calidad.
La eficiencia supera el 90% y la distorsión es de sólo 0,02% en carga de 4 ohmios con 1 W de salida. El modo de operación de bajo consumo hace que drene menos de 1 mA de la fuente y permite la conexión en el modo BTL simple.
Las aplicaciones principales desde componentes sugeridos por Texas Instruments son:
- Caja de sonido inalámbrica o amplificada
- Sistemas de sonido
- Subwoofers
- Sistemas de sonorización ambiental y profesional (Public Address)
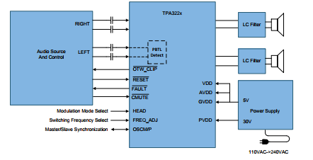
En la figura 1 tenemos el diagrama de bloques del amplificador.

El datasheet completo de este amplificador con más información se puede acceder en: http://www.ti.com/lit/ds/symlink/tpa3221.pdf.
La envoltura es el HTSSOP de 44 pinos que tiene características de montaje en un disipador de calor. En la tabla abajo tenemos las condiciones recomendadas de operación, observándose la frecuencia PWM, ya que se trata de amplificador digital.
En la figura 2 tenemos gráficos que muestran la distorsión armónica total en función de la potencia de salida y del modo de operación.
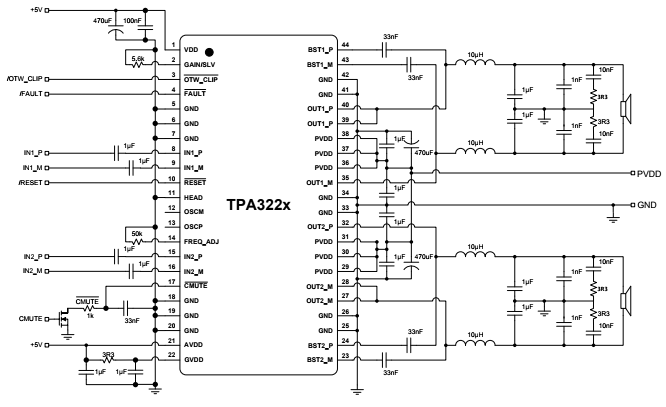
En la figura 3 tenemos el circuito de aplicación para la versión estéreo BTL en modo AD.
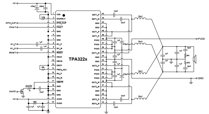
En la figura 4 tenemos el modo diferencial (2BN) BTL para aplicación mono.
Finalmente tenemos una configuración interesante que es la PBTL o que las salidas se conectan en paralelo antes del filtro LC (Outputs Paralleled Before LC Filter). La configuración se muestra en la figura 5.
Para los usos a Texas proporciona el diseño de la tarjeta de circuito impreso en la hoja de datos.








