¿Por qué no comenzar su equipa de audio con el montaje de su propio amplificador estéreo, de excelente calidad, de 50 watt (25 por canal) y después ir agregando los complementos? En este artículo Le proponemos un buen amplificador estéreo con ecualizador activo y 25 W RMS de potencia por canal lo que, en términos de lHF da cerca de 70 W para lodo el amplificador.
Basándonos en un eficiente integrado, el TDA1510, llegamos a un sistema amplificador estereofónico con ecualizador para uso doméstico, con calidad de sonido que no deja nada que envidiar a los tipos comerciales y con una potencia que sin duda impresionará AL lector.
En líneas generales podemos describir nuestro amplificador estéreo integrado de la siguiente forma:
Partiendo de dos integrados TDA1510, cada uno de los cuales contiene, em su interior, dos amplificadores independientes (figura 1), hacemos su conexión en puente y con esto cuadruplicamos la potencia total del sistema.

Así, si cada amplificador proporciona en verdad 12,5W, con el montaje en puente obtenemos 25W, lo que corresponde a un total de 50W para el amplificador en total, o en términos de IHF, 70W aproximadamente.
En la entrada de este amplificador agregamos además un ecualizador con control de volumen, graves y agudos, del tipo activo con un transistor, lo que permite trabajar con señales de baja intensidad, como las provenientes de un tocadiscos, además de las señales de mayor intensidad, como las provenientes de mixers, tape-decks o sintonizadores de AM y FM.
La salida es de 4 ohm, lo que permite la conexión de cajas comunes tanto de esta impedancia como también de 8 ohm. En verdad los integrados pueden funcionar en su limite con cargas de 2 ohm, caso en que inclusive su potencia quedaría aumentada, pero por medida de seguridad, para garantizar mayor durabilidad del aparato, no recomendamos su uso.

Una característica importante del aparato es su tamaño bastante reducido, lo que además de facilitar su montaje, permite obtener un aspecto muy agradable, principalmente si el lector es habilidoso en la confección de cajas y paneles (fig. 3).

Y, para completar, observamos que el reducido número de componentes hace bastante accesible el montaje, incluso los lectores que todavia no se consideran maestros en electrónica. Si al lector realmente le gustan los aparatos de audio y está sintiendo la falta de uno en su casa.
¿ Por que no comenzar con éste?
El integrado TDA 1510
En la figura 3 tenemos el aspecto del circuito integrado TDA 1510, que usamos como base para este proyecto En el interior de la cubierta existen dos amplificadores independientes que pueden proporcionar 12W de» potencia en cargas de 2 ohm y que admitem tensiones de alimentación situadas entre 9 y 18V.
Podemos conectar dos amplificadores en puente, y en este caso obtenemos con carga de 4 ohm, 25W aproximadamente, y en carga de 2 ohm, 50W lo que, sin embargo, por medida de precaución, no haremos en este caso.
Para nosotros es suficiente obtener 25W de cada integrado con la conexión en puente y con esto, usando dos integrados, formar un sistema estéreo de 50W.
Las características de este TDA1510 son excelentes, como podemos ver por su curva de respuesta que muestra la figura 4 y por la tasa de distorsión armónica THD que muestra la figura 5.


Está claro que. cada integrado de este tipo debe ser dotado de un buen disipador de calor y esto ya está previsto en su formato. En nuestro caso usamos como disipadores, dos trozos rectangulares de aluminio común, pintados de negro, com 10 x 5 cm de largo y ancho, y 6 mm de espesor.
El miníecualizador
Un sistema amplificador estereofónico no podría ser considerado completo si no poseyera control de volumen y de tono activo. El sistema que proponemos a los aficionados se muestra en la figura 6.

Un transistor es el elemento activo de este ecualizador. Según la posición de los controles (graves y agudos) se dosifica la realimentación del circuito en frecuencias altas o bajas, obteniéndose con esto un refuerzo o atenuación de graves y agudos.
Con los potenciometros en las posiciones medias no tenemos ni refuerzo ni atenuación de graves y agudos y por lo tanto la serial de entrada es reproducida según su forma original. Con el ajuste de los potenciómetros se puede entonces ecualizar la serial de acuerdo con el gusto de cada uno, atenuando o reforzando los graves y agudos.
La placa de circuito impresa
Un punto importante de este proyecto es la placa de circuito impreso que, por los niveles de señales trabajadas, por la sensibilidad del amplificador, es bastante crítica.
De este modo, sugerimos al lector que no intente ninguna modificación en el diseño original, y que haga exactamente el diseño dado.
Vea que incluso algunos puntos que puedan parecer extraños a los lectores son justificados por esta sensibilidad los zumbidos y realimentación. Es el caso del capacitor C19 en paralelo con C16, que es colocado junto al integrado para evitar cualquier realimentación.
Con la excepción del transformador de alimentación, enehufes de entrada y salida, interruptor general y fusible, todos los controles y componentes son montados en esta placa. Con esto se evitan las conexiones largas, y las pocas necesarias deben ser cuidadosamente blindadas.
Vea que hasta incluso los controles formados por los potenciometros deben ser dotados de un blindaje especial. Esto se hace como muestra el diseno de la placa, con la conexión de un cable de tierra común de la placa al cuerpo de uno de los potenciometros. Este, quedando en contacto con la placa-panel que sustenta a los demás potenciometros, garantiza el contacto que los blinda también (fig. 2).
Sin este tipo de precauciones, lo que el lector puede conseguir es mucho zumbido en el parlante cuando abre el control de volumen y hasta incluso sin esto.
Los componentes
El integrado usado es relativamente común en nuestro mercado, no ofreciendo dificultades para conseguido.
Solamente el disipador debe ser obtenido a partir de fuentes tal vez poco comunes, como por ejemplo aprovechando un laminado de aluminio o incluso una caja. Para los demás componentes las dificultades son mínimas, pues son todos comunes.
El transformador usado proporciona una tensión de 6+6V con toma central, no usada, de donde con la rectificación en onda completa se obtienen cerca de 16V de pico. Ia corriente de 5A es importante para que se garantice la potencia máxima del sistema. Se puede usar un transformador de 12 + 12V con la rectificación con dos diodos solamente.
Como la rectificación es en puente, los diodos precisan suportar solamente la mitad dela corriente de pico, y la tensión inversa de pico debe ser de por 10 menos 50 V para mayor seguridad.
Para el filtrado se usan electrolíticos de gran valor, con tensiones de trabajo de por 10 menos 16V. Naturalmente electroliticos de tensiones mayores también pueden usarse, pero ciertamente costarán más caros. Los demás electroliticos también deben tener una tensión mínima de trabajo de 16V.
Los capacitores cerâmicos deben ser de buena calidad, especialmente aquellos por donde pasan las señales de audio. Los capacitores con problemas de calidad pueden causar serios problemas de distorsión.
Los resistores, con excepción de R20, son todos de 1/8W. R20 es un resistor de alambre de 5W de disipación mínima, el cual trabajará relativamente caliente.
Los potenciometros lin y log son de valores comunes, no ofreciendo problemas para su adquisición.
El material complementario depende del tipo de acabado a hacer, como por ejemplo la caja, los botones plásticos para los potenciometros, los enchufes de entrada y salida, etc.
No incluimos en el proyecto lampara o LED indicador de funcionamiento, VU, u otros recursos, pero basándose en otros proyectos de nuestra revista los lectores que lo deseen pueden agregarlos.
Montaje
Para el montaje se debe usar un soldador de punta fina y pequeña potencia, de buena calidad. Las herramientas adicionales son las comunes.
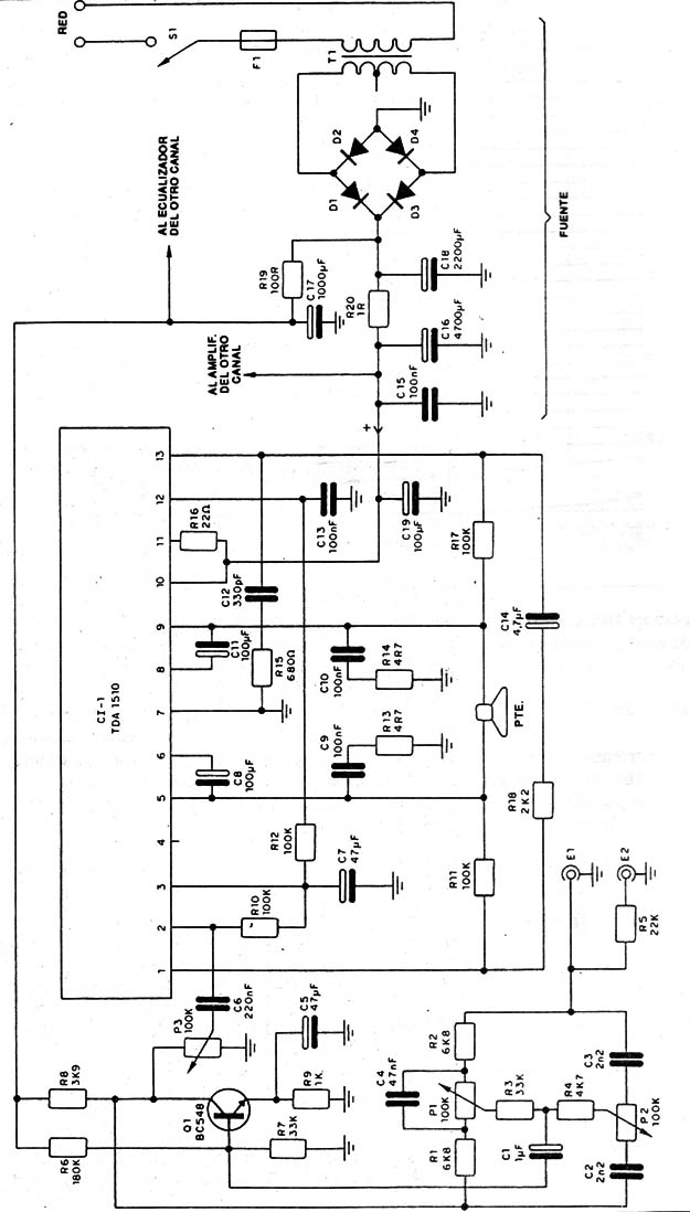
Comenzamos por dar un diagrama del aparato, correspondiente a un canal, en la figura 7.

Vea que la fuente es común a los dos canales, y que los componentes fuera de la misma deben ser duplicados (excepto P1 y P2), pues tenemos dos canales, ya que la versión es estereofónica. Para que el lector no tenga dificultades, sugerimos seguir la
En la figura 8 damos la placa de circuito impreso que, como dijimos, debe ser preferida por los montadores en vista de tratarse de um circuito algo crítico.


Nuestra sugerencia para la secuencia de montaje es la siguiente:
a) Suelde en primer lugar los dos integrados, observando tanto su posición em relación al bisel que identifica los pins 1, como también el encaje exacto de cada terminal en la placa. A1 hacer 1a soldadura tenga cuidado con que la misma no se desparrame y también con el exceso de calor. Deje para el final la fijación de lós disipadores de calor.
b) Suelde los 4 diodos del puente que forman la fuente de alimentación. Estos son D1 a D4. Tenga cuidado con su polaridad. Sea rápido al soldarlos para que el calor no los dañe.
c) Para soldar el transistor Q1, en primer lugar observe su posición de acuerdo con la parte achatada, y después encaje cuidadosamente los terminales en los orificios. Sea rápido para evitar el exceso de calor.
d) Los siguientes componentes que pueden ser soldados son los resistores, to dos con excepción de R20, al cual dejamos un ítem especial. Para la colocación de los resistores observe en primer lugar sus valores dados por las bandas de colores. Después de encajar sus terminales en los agujeros correspondientes sueldos.
e) Para soldar R20 es preciso tener especial cuidado. Doble sus terminales del modo indicado en la figura 9 y sueldo después de meterlos en los agujeros, pero de modo que quede un espacio entre el cuerpo del componente y la placa.

Este espacio es necesario para facilitar la disipación de calor del componente que trabaja caliente.
f) Los siguientes componentes a soldar son los capacitores electrolíticos. Después de verificar los valores, asegúrese que son metidos en los agujeros correspondientes con la polaridad correcta. Después solo resta hacer rápidamente la soldadura de los terminales.
g) Para los demás capacitores el punto más importante, además del valor, se refiere ala sensibilidad de estos componentes al calor, por lo que se recomienda que la soldadura se efectue rápidamente.
h) Terminado el trabajo en la placa, con la colocación del jumper, que no es mas que un trozo de cable interconectando los puntos indicados, pase al trabajo externo.
i) La soldadura de los potenciometros, que no son exactamente tan externos, debe hacerse del siguiente modo: meta los terminales de cada potenciômetro en la placa y proceda a su soldadura. Después fijelos con los tornillos en el panel común. Según el tipo de caja elegido, los ejes deben ser cortados.
j) Haga en seguida la conexión del cable de blindaje de la placa al cuerpo de uno de los potenciometros de acuerdo con lo indicado en el dibujo. Este cable puede ser pelado.
l) En seguida, suelde los terminales o cables de los enchufes de entrada que deben ser blindados y cortos. Fíjese con cuidado la posición de fijación de los enchufes de entrada para no cortar los cables ni muy cortos ni muy largos. Cuidado también con la conexión del blindaje en el punto correcto.
m) La conexión de los cables de salida hacia los parlantes es mas sencilla, pues puede hacerse con cables comunes y su largo no es crítico. Tenga cuidado solamente con su buen aislamiento.
n) La colocación del transformador no ofrece problemas, habiendo sido dejada para el final por su tamaño y peso. Después de conectar los cables del secundario del transformador a la placa, cortando el terminal central (CT) no usado, haga la fijación tanto de 1a placa como de este componente en la caja. Para la placa use separadores y para el transformador tornillos que soporten su peso.
o) Completamos el montaje de esta versión básica con la conexión del fusible, del interruptor general y del cable de alimentación.
Después de todo esto, basta revisar el montaje y, si no se encuentra ninguna irregularidad, sólo resta experimentar.
Prueba de funcionamiento
Para la prueba de funcionamiento precisamos de una fuente de serial que puede ser una radio, grabador, tape-deck, tocadiscos... ;o incluso su dedo!
Antes de conectar su amplificador fije bien el disipador de calor de cada íntegrado. Entre el disipador y el integrado debe colocarse un poco de grasa siliconada para facilitar la transferencia de calor de uno hacia el otro.
En la figura 10 mostramos el modo de hacer la conexión de los aparatos usados como fuente de señal a su amplificador.

Vea que tenemos dos entradas que pueden usarse para cada canal. la primera (E1) que no tiene el resistor es la entrada de mayor sensibilidad, que será usada con las fuentes de pequenas senales, o sea, cápsulas fonográficas, micrófonos, etc.
La segunda (E2) que tiene el resistor de 22k (incluso mayor) es usada con fuentes de serial de mayor intensidad, o sea, aquellas fuentes en que la sena] ya está dotada de amplificación, como sintonizadores de FM, grabadores, tape-decks, radios, etc. El resistor sirve justamente para limitar la señal, evitando así la saturación del circuito y su consiguiente distorsión.
Si el lector nota que, con su fuente de serial, al abrir el volumen ocurre distorsión, debe aumentar el valor de este resistor R5 hasta encontrar el que le permita obtener toda la potencia sin distorsión.
Con fuentes de serial elevadas este resistor puede tener hasta más de 100 k.
Una vez elegida la entrada de conexión del aparato, según la fuente de serial, deberemos conectar el amplificador. Y si el lector no tiene a mano una fuente de serial y quiere apelar a la ”prueba del dedo", esto también es posible.
Basta conectar primero el amplificador y abrir todo su volumen. No debe haber inicialmente ningún ronquido en las cajas usadas.
Vea que la elección de las cajas acústicas que usará es importante, pues de nada sirve tener un buen aparato amplificador si las cajas no están a su altura.
Los parlantes deben ser pesados, preferiblemente acompañados de tweeter, y ser capaces de soportar cada uno por ló menos 25W de potencia.
Listo para la prueba, el procedimiento es el siguiente:
a) Conecte inicialmente sólo el amplificador, abriendo todo el volumen de cada canal. No debe haber ronquido en los parlantes. Si sucede esto, verifique las conexiones de los cables blindados y los blindajes de los potenciômetros. Verifique también si los capacitores de filtrado de la fuente no están malos.
b) Para la prueba del dedo apoye el índice primero en el enchufe de un canal de entrada y después en el otro. En el toque debe producirse la reproducción de um ronquido fuerte. la reproducción en cada canal debe ocurrir en el mismo nivel.
c) Si usa cualquier fuente de serial, puede conectarla. Elija una buena estación de FM, un buen disco o bien una buena cinta y ajuste el volumen en el punto en que no ocurra distorsión. Verifique la actuación de los controles de tono. Si nota distorsión en los volúmenes elevados con fuentes de serial de alta intensidad, entonces aumente R5. Si la serial de la fuente no fuera suficiente para excitar el amplificador a su máxima potencia entonces será preciso usar un buen preamplificador. Esto ocurrirá por ejemplo si usa un micrófono dinámico o una cápsula magnética de baja impedancia.
Si ocurre alguna anormalidad, comience verificando si la tensión de 1ª fuente esta correcta. En C16 debe Haber una tensión superior a 12V. Si la tensión estuviera mas baja, entonces el problema puede estar en el transformador cuyas especificaciones no están de acuerdo, en la conexión de los diodos, o bien en R20 que puede estar abierto o con valor diferente del exigido.
Si no hubiera ninguna serial en el parlante, experimente inyectando directamente en el control de volumen una serial de prueba.
Esto puede hacerse simplemente apoyando el dedo en este terminal. Si hubiera un ronquido, entonces el problema estará en la etapa de ecualización que debe ser verificada. Si no hubiera, el problema puede estar en el integrado correspondiente al canal que no funciona y en los componentes adyacentes.
Usos
Puede usar este amplificador del mismo modo que usaría cualquier amplificador de alta fidelidad común, como parte de un sistema de sonido.
En la fig. 11 tenemos una sugerencia de su uso en la formación de un buen sistema doméstico, en que las fuentes de señal pueden ser un tocadiscos, un sintonizador o un tape-deck.

En la fig. 12 mostramos cómo hacer la conexión de una llave conmutadora si la fuente de serial debe ser modificada constantemente, y por lo tanto el lector quisiera evitar estar sacando y poniendo los enchufes en las entradas.

Está claro que existen muchas otras posibilidades, quedando por cuenta de la irnaginación de cada uno. Mientras tanto, debe recordarse que estamos trabajando con un circuito sensible de audio y que todas las conexiones por donde pasen señales deben hacerse con cables blindados y las mallas conectadas a un punto común de de tierra. Sin este procedimento pueden aparecer instabilidades, roquidos y oscilaciones que prejudicarán el funcionamento del aparato.





