Las 5 salidas de los flop-flops internos del circuito integrado 4018 se pueden utilizar simultáneamente para la síntesis de señales senoidales a partir de una señal rectangular de entrada.
Se parte entonces de la configuración como contador hasta 10 y las salidas de los flip-flops sintetizan cada nivel de tensión en secuencia para formar una sinusoide. Las proporciones en que cada salida debe contribuir al nivel de señal senoidal viene dada por la siguiente relación:
Q1 = 1,618
Q2 = 1,000
Q3 = 1,000
Q4 = 1,618
De esta forma, cuando la salida Q1 está activada, tenemos un nivel 1.000 de tensión en la salida. Cuando las salidas Q1 y Q2 están activadas tenemos 2,618. Cuando las 4 salidas están activadas tenemos el 5,236 que corresponde al nivel máximo de tensión o pico positivo. A partir de ahí, con la desactivación de la salida 1 y manteniendo las salidas Q2, Q3 y Q4 activadas tenemos 3,618 y en una etapa siguiente llegamos nuevamente a 3,618 y luego con sólo Q4 activada volvemos a 1.000. Las formas de onda sucesivas y sintetizadas por este circuito se muestran en la figura 1.

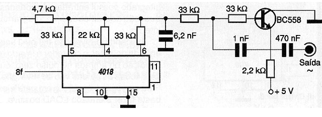
Evidentemente, la forma de onda obtenida en la salida del integrado está formada por escalones. Si queremos una siniestra perfecta, necesitamos pasar esta señal por un filtro de paso bajo que quita las transiciones bruscas de la señal suavizándose. El circuito completo, incluido el filtro, se muestra en la figura 2.

Este circuito puede funcionar satisfactoriamente con señales en el rango de 500 a 2500 Hz. Los cambios de los valores de los componentes permiten su funcionamiento en otras bandas de frecuencia. La intensidad de la señal de salida es de 0,8 Vpp para una tensión de alimentación de 5 V. Senóides con menos puntos de síntesis pueden ser obtenidas con divisiones por 6 o 8 como muestran el circuito de la figura 3.




