Este es un efecto muy común para guitarras y guitarras, donde el accionamiento de un pedal modula el sonido producido, con un efecto similar al que da el nombre al circuito. Nuestro circuito es muy simple, ya que sólo utiliza un transistor.
El circuito modulador que describimos es intercalado entre el captador de un villano o la guitarra y la entrada del amplificador.
Cuando el pedal es accionado, tenemos la modulación del sonido con un efecto que altera la intensidad de la reproducción.
El circuito es alimentado por una batería de 9 V y tiene un consumo muy bajo.
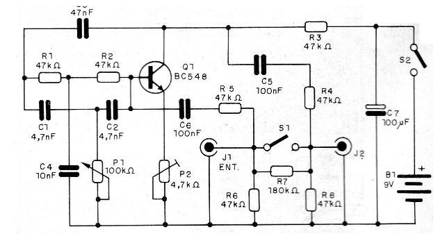
En la figura 1 tenemos el circuito completo del efecto.

El montaje se puede realizar sobre la base de una placa de circuito impreso cómo se muestra en la figura 2.

En el montaje, observe la posición del transistor y la polaridad del capacitor electrolítico, que puede ser del tipo con tensión de trabajo de al menos 12 V.
Los resistores son de 1/8 W con cualquier tolerancia y los cables de entrada y salida de señal deben ser blindados.
S1 al ser cerrado corta el efecto permitiendo el paso directo de la señal.
En la figura 3 tenemos una sugerencia de cómo acoplar el potenciómetro P1 a un pedal para controlar el efecto.

Los demás capacitores deben ser de acuerdo con las especificaciones de la lista de materiales.
Q1 - BC548 - transistores NPN de uso general
S1, S2 - Interruptores simples
B1 - 9 V - batería
J1, J2-jack de acuerdo con el instrumento
C1, C2 - 4,7 nF - capacitores cerámicos o poliéster
C3 - 47 nF - capacitor de cerámica o poliéster
C4 - 10 nF - capacitor de cerámica o poliéster
C5, C6 - 100 nF - capacitor de cerámica o poliéster
C7 - 100 uF - capacitor electrolítico
P1 - 100 k ohms - potenciómetro (deslizante)
P2 - 4k7 - potenciómetro
R1, R2, R3, R4, R5, R6, R8 - 47 k ohms - resistores - amarillo, violeta, naranja
R7- 180 k ohms - resistor - marrón, gris, amarillo
Varios:
Placa de circuito impreso, conector de batería, caja para montaje, hilos, soldadura, etc.



